ລະຫັດ QR
ກ່ຽວກັບພວກເຮົາ
ຜະລິດຕະພັນ
ຕິດຕໍ່ພວກເຮົາ


ແຟັກ
+86-574-87168065

ອີເມລ

ທີ່ຢູ່
ເຂດອຸດສາຫະກໍາ Luotuo, ເມືອງ Zhenhai, Ningbo City, ປະເທດຈີນ
SWC-WF ຂອງ Raydafon ໂດຍບໍ່ມີການຖ່າຍທອດແບບ Flex Flight Coupling ແມ່ນສໍາລັບອຸປະກອນສາຍໄຟທີ່ມີແຮງບິດ, ເຄື່ອງໃຊ້ໄຟຟ້າ, ລະບົບຂຸດຄົ້ນບໍ່ແຮ່, ທັງຫມົດທີ່ຕ້ອງການພະລັງງານທີ່ຫຍຸ້ງຍາກ. ມັນມີການອອກແບບທີ່ບໍ່ປ່ຽນແປງໄດ້, ເສັ້ນຜ່າສູນກາງ grenerible ຕັ້ງແຕ່ 160mm ຫາ 640mm, ແລະ fles misaligns angular ນີ້ບວກກັບບັນຫາຢ່າງຕໍ່ເນື່ອງບໍ່ມີບັນຫາຫຍັງເລີຍ, ແມ່ນແຕ່ໃນເວລາທີ່ເຮັດວຽກໃນສະພາບທີ່ຕ້ອງການ. ພວກເຮົາໃຊ້ເຫຼັກທີ່ມີຄວາມເຂັ້ມແຂງສູງ 35crmo ເພື່ອສ້າງມັນ, ສະນັ້ນມັນຢືນຂື້ນກັບການໂຫຼດທີ່ສົມບູນແບບສໍາລັບການລ້ຽງດູເຄື່ອງກົນຈັກຫນັກແລະບໍ່ມີຄວາມຫມາຍສໍາລັບການນໍາໃຊ້ອຸດສາຫະກໍາ. Raydafon ການຜະລິດທີ່ມີຄວາມຫມາຍຂອງ Raydafon ໃຫ້ແນ່ໃຈວ່າມັນສະຫນອງຜົນງານທີ່ຫນັກແຫນ້ນທຸກໆຄັ້ງ, ໂດຍສະເພາະສໍາລັບອຸດສາຫະກໍາທີ່ບໍ່ສາມາດປະນີປະນອມໃນການຈັດສົ່ງແຮງດັນທີ່ສອດຄ່ອງ.
ການສໍາຫລວດຂອງ SWC-WF ນີ້ແມ່ນຖືກສ້າງຂຶ້ນໃນເວລາສຸດທ້າຍ, ດ້ວຍການເຊື່ອມຕໍ່ທີ່ບໍ່ມີປະໂຫຍດ. ພວກເຮົາປະຕິບັດຕາມມາດຕະຖານ ISO 9001 ຢ່າງເຂັ້ມງວດ, ແລະໂຮງງານຜະລິດຂອງຈີນຂອງພວກເຮົາໃຊ້ເຄື່ອງຈັກທີ່ກ້າວຫນ້າເປັນບວກກັບການກວດສອບທີ່ມີຄຸນນະພາບແຫນ້ນໆເພື່ອເຮັດໃຫ້ COLLEY COURING COURING ທີ່ທົນທານ. ມັນມາໃນຂະຫນາດທີ່ສາມາດປັບແຕ່ງໄດ້, ດ້ວຍການໃຫ້ຄະແນນ torque ເຖິງ 1250 k so so so so so so right rightា into ໃນ couplings Universal ສໍາລັບອຸປະກອນ Metallurgy ແລະຊຸດອື່ນໆ. Raydafon ຍັງມີວິທີແກ້ໄຂທີ່ເຫມາະສົມໃນລາຄາທີ່ແຂ່ງຂັນ, ຊ່ວຍໃຫ້ຕັດລົງໃນເວລາທີ່ພັກຜ່ອນແລະເພີ່ມຄວາມຫນ້າເຊື່ອຖືຂອງອຸປະກອນຂອງທ່ານ.
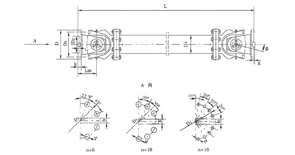
| ບໍ່. | ເສັ້ນຜ່າສູນກາງ GYRATI D mm | ແຮງບິດ ທ້າເດດ k · m · m | ແກນມຸມເທົ່າ β (°) | ຄວາມອ່ອນເພຍ ກ້ອຢ k · m · m | ຂະຫນາດ (ມມ) | ການຫມູນວຽນຂອງ inertia kg.m2 | ນ້ໍາຫນັກ (ກິໂລ) | |||||||||||
| lmin ໄດ້ | D1 (JS11) | d2 (h7) | d3 | lm | n-d | k | t | b (h9) | g | lmin ໄດ້ | ເພີ່ມຂຶ້ນ 100mm | lmin ໄດ້ | ເພີ່ມຂຶ້ນ 100mm | |||||
| SWC285WF | 285 | 90 | 45 | ≤15 | 810 | 245 | 170 | 194 | 160 | 8-21 | 27 | 7 | 40 | 15 | 2.664 | 0.051 | 220 | 6.3 |
| SWC315WF | 315 | 125 | 63 | 915 | 280 | 185 | 219 | 180 | 10-23 | 32 | 8 | 40 | 15 | 4.469 | 0.0795 | 300 | 8.0 | |
| SWC350WF | 350 | 180 | 90 | 980 | 310 | 210 | 267 | 194 | 10-23 | 35 | 8 | 50 | 16 | 7.388 | 0.2219 | 412 | 15.0 | |
| SWC390WF | 390 | 250 | 125 | 1100 | 345 | 235 | 267 | 215 | 10-25 | 40 | 8 | 70 | 18 | 13.184 | 0.2219 | 588 | 15.0 | |
| SWC440WF | 440 | 355 | 180 | 1290 | 390 | 255 | 325 | 260 | 16-28 | 42 | 10 | 80 | 20 | 23.250 | 0.4744 | 880 | 21.7 | |
| SWC490WF | 490 | 500 | 250 | 1360 | 435 | 275 | 325 | 270 | 16-31 | 47 | 12 | 90 | 22.5 | 40.750 | 0.4744 | 1173 | 21.7 | |
| SWC550WF | 550 | 710 | 355 | 1510 | 492 | 320 | 426 | 305 | 16-31 | 50 | 12 | 100 | 22.5 | 68.480 | 1.3570 | 1663 | 34.0 | |
| SWC620WF | 620 | 1000 | 500 | 1690 | 555 | 380 | 426 | 340 | 10-38 | 55 | 12 | 100 | 25 | 127.530 | 1.3570 | 2332 | 34.0 | |
* 1. .
* 2. 2. ການຕິດຕັ້ງ L-Install, ເຊິ່ງແມ່ນອີງຕາມຄວາມຕ້ອງການ.
SWC-WF ຂອງ Raydafon ໂດຍບໍ່ມີ Flex Flange Gene Coupling - ຍັງເອີ້ນວ່າການເຮັດວຽກຮ່ວມກັນຂອງ SWC Cardan. ການພົວພັນກັນແບບສູງທີ່ສຸດໃນການເຊື່ອມຕໍ່ຂ້າມຜ່ານເພື່ອເຊື່ອມໂຍງກັບທັງສອງສົ້ນ, ສະນັ້ນ ,,
ຫົວໃຈຂອງວິທີທີ່ມັນເຮັດວຽກແມ່ນການອອກແບບສາກົນຮ່ວມກັນ - ມີເພົາຂ້າມທີ່ເຮັດຄືກັບຕົວຢ່າງ, ປ່ອຍໃຫ້ແຕ່ລະກະດານຍ້າຍໄປດ້ວຍຕົນເອງ. ວິທີນັ້ນ, ແຮງບິດແມ່ນມາຈາກເພົາຂັບລົດໄປທີ່ເພົາຂັບເຄື່ອນຢ່າງມີປະສິດທິພາບ, ແລະມັນກໍ່ເຮັດໃຫ້ເກີດຄວາມກົດດັນຫລາຍເກີນໄປໃນພາກສ່ວນທີ່ມັນເຊື່ອມຕໍ່. ຖ້າທ່ານຕ້ອງການຄວາມສໍາພັນທີ່ມີຄວາມຫນ້າເຊື່ອຖືສາມາດກວດສອບໄດ້ທົ່ວໄປໃນການປະຕິບັດງານຂອງໂຮງງານຜະລິດໄດ້, ໂຄງສ້າງທີ່ມີຄວາມຍືດຍຸ່ນ, ບໍ່ມີຄວາມຍືດຫຍຸ່ນຮັກສາສິ່ງທີ່ຫມັ້ນຄົງ, ເຊິ່ງເປັນສິ່ງທີ່ດີເລີດສໍາລັບການຕັ້ງຄ່າເຄື່ອງຈັກທີ່ມີຄວາມຫມັ້ນຄົງ.
ສິ່ງທີ່ເຮັດໃຫ້ການເຮັດວຽກຂອງມັນໂດດເດັ່ນແມ່ນວ່າມັນບໍ່ມີຊິ້ນສ່ວນທີ່ມີຄວາມຍືດຍຸ່ນຫຼືລັກສະນະທີ່ມີຄວາມຍືດຍຸ່ນຫຼືສິ່ງທີ່ມັນແຍກອອກຈາກປະເພດອື່ນແລະເຮັດໃຫ້ມີການເຄື່ອນໄຫວທີ່ມີຄວາມຫມາຍຫນ້ອຍທີ່ສຸດ. ຜູ້ທີ່ມີຄວາມທົນທານຂອງ SWC Coupling ທີ່ທົນທານໃນຂະແຫນງການຮ່ວມມືກັນທີ່ພວກເຮົາໃຊ້ໃນການຍົກແລະອຸປະກອນການຈັດການກັບອຸປະກອນຕ່າງໆໃນຫຼັກການນີ້ເພື່ອໃຫ້ມີຄວາມສົມດຸນຢູ່ພາຍໃຕ້ການໂຫຼດໃຫຍ່; ມັນ hits ປະສິດທິພາບການສົ່ງຕໍ່ເຖິງ 98,6% ແລະບໍ່ເສຍພະລັງງານຫຼາຍ. ລະບົບການສັ່ນສະເທືອນຮ່ວມກັນທີ່ໃຊ້ໃນການເຄື່ອນໄຫວທີ່ຊັດເຈນ, ສະນັ້ນມັນຈະມີເຄື່ອງກົນທີ່ມີຄວາມກົດດັນທີ່ດີເທົ່ານັ້ນທີ່ທ່ານຈະເຫັນໃນວຽກອຸດສາຫະກໍາທີ່ເຄັ່ງຄັດ.
ຍິ່ງໄປກວ່ານັ້ນ, SWC ຫນັກ - ຫນ້າທີ່ຂອງ Raydafon ແມ່ນມີຄວາມຫຍຸ້ງຍາກໃນການເຮັດໃຫ້ມັນມີຄວາມກັງວົນໃຈກ່ຽວກັບການເຄື່ອນໄຫວທີ່ພວນລົງມາ, ແລະມັນກໍ່ຈະຊ່ວຍເພີ່ມຄວາມເຂັ້ມແຂງໂດຍລວມໂດຍ 30% ເຖິງ 50%. ໃນຖານະເປັນການຮ່ວມມືຮ່ວມກັນຂອງພະລັງງານຂະຫນາດໃຫຍ່, ມັນຈັດການກັບເສັ້ນຜ່າຕັດພະລັງງານຂະຫນາດໃຫຍ່ຈາກ 0,15 ຫາ 1000 ຫາφ620ຫາφ620-it ແລະດ້ວຍສຽງທີ່ເກັບຮັກສາໄວ້ໃນລະຫວ່າງ 30-40 db (a), ການຮັກສາຄວາມງຽບສະຫງັດທີ່ບໍ່ດີ, ເຊິ່ງເຫມາະສົມສໍາລັບຈຸດອຸດຫນູນທີ່ມີສຽງດັງ, ທັງຫມົດໃນຂະນະທີ່ຮັກສາມາດຕະຖານຄວາມຫນ້າເຊື່ອຖືສູງ.
SWC ທົ່ວໄປຂອງ Raydafon ແມ່ນເອີ້ນວ່າ SWC Cardan Shaft Universal Coupling ຮ່ວມກັນ - ບໍ່ແມ່ນພຽງແຕ່ພາກສ່ວນຫນຶ່ງເທົ່ານັ້ນ; ມັນເປັນສິ່ງທີ່ຕ້ອງມີສໍາລັບການຕັ້ງອຸດສາຫະກໍາຫນັກ, ຄືກັບໂຮງງານມ້ວນ, ເຄື່ອງຈັກກົມບ້ານ, ແລະທຸກລະບົບເຄື່ອງຈັກທີ່ແຂງແຮງ. ໃນຖານະເປັນຄວາມສໍາພັນຮ່ວມກັນທີ່ມີຄວາມສູງທີ່ສຸດ, ມັນເຮັດວຽກທີ່ແຂງແກ່ນທີ່ເຊື່ອມຕໍ່ສອງ Shifts ທີ່ບໍ່ໄດ້ຕັ້ງໃຈຢ່າງສົມບູນ, ເຮັດໃຫ້ພະລັງງານເຮັດໃຫ້ມີຄວາມສະດວກສະບາຍເຖິງແມ່ນວ່າສະພາບການເຮັດວຽກກໍ່ຫຍາບຄາຍ.
ໃຫ້ເວົ້າກ່ຽວກັບຄຸນລັກສະນະຫຼັກຂອງມັນ: ເສັ້ນຜ່າສູນກາງ gyeration ແມ່ນຕັ້ງແຕ່φ58ເຖິງφ620, ແຮງບິດຕັ້ງແຕ່ 0,000 ຫາ 1000 ເຖິງ 1,000 ແກນແມ່ນບໍ່ເກີນ 25 °.
ຜະລິດຕະພັນນີ້ສ່ອງແສງໃນສະເພາະຂອງສະຖານະການທີ່ຄ້າຍຄືກັນໃນເວລາທີ່ທ່ານຕ້ອງການການຮ່ວມມືກັນແລະ SWC ທີ່ທົນທານໃນການປະຕິບັດການຮ່ວມມືກັນໃນການຍົກແລະມືຖື. ໃນກໍລະນີເຫຼົ່ານີ້, ມັນພິສູດວ່າມັນມີຄ່າໂດຍການຮັກສາການປະຕິບັດງານໃຫ້ຫມັ້ນຄົງ, ເຖິງແມ່ນວ່າມັນຈະມີການຈັດການກັບພາລະຫນັກ.
SWC ຮ່ວມມືຮ່ວມກັນຂອງ Raydafon ບໍ່ພຽງແຕ່ສ້າງສໍາລັບຫນ້າທີ່ - ມັນໄດ້ຮັບການອອກແບບດ້ວຍການອອກແບບທີ່ສະຫຼາດເພື່ອໃຫ້ມີການນໍາໃຊ້ອຸດສາຫະກໍາແລະສືບຕໍ່ປະຕິບັດໃນໄລຍະຍາວ. ຂໍໃຫ້ທໍາລາຍສິ່ງທີ່ເຮັດໃຫ້ໂຄງສ້າງຂອງມັນໂດດເດັ່ນ.
ກ່ອນອື່ນຫມົດ, ມັນມີການຕັ້ງຄ່າທີ່ສົມເຫດສົມຜົນແລະປອດໄພ: ພວກເຮົາໄດ້ໃຊ້ການອອກແບບຫົວຂອງ Forked ສໍາລັບຄວາມຮູ້ສຶກຮ່ວມມືກັນນີ້, ເຊິ່ງຕັດກັບຄວາມສ່ຽງຄ້າຍຄື Bolts ມາວ່າງຫຼືແຕກ. ຢູ່ຄົນດຽວທີ່ຊ່ວຍເພີ່ມຄວາມສັດຊື່ຂອງໂຄງສ້າງ 30% -50%, ສະນັ້ນມັນເຮັດວຽກຢ່າງປອດໄພແລະຫນ້າເຊື່ອຖື. ເມື່ອປຽບທຽບກັບ couplings ປົກກະຕິ, ມັນຈະຢູ່ໄດ້ດົນກວ່າເກົ່າແລະຫລີກລ້ຽງການແບ່ງແຍກທົ່ວໄປໃນຈຸດທີ່ມີຄວາມກົດດັນສູງ - ຄ້າຍຄືກັບລະບົບທີ່ມີຄວາມກົດດັນທົ່ວໄປທີ່ທ່ານເຫັນໃນວຽກທີ່ຫຍຸ້ງຍາກ.
ຫຼັງຈາກນັ້ນ, ມີຄວາມສາມາດໃນການໂຫຼດທີ່ເພີ່ມຂື້ນຂອງມັນ: ຄວາມຫນ້າທີ່ຂອງ SWC ຫນັກກວ່າເກົ່າ
ມັນຍັງຕອບສະຫນອງປະສິດທິພາບການສົ່ງຕໍ່ທີ່ສູງເຖິງ 98,6%. ໃນຖານະເປັນຄູ່ຮ່ວມມືຮ່ວມກັນທີ່ມີປະສິດທິພາບໃນການສົ່ງໄຟຟ້າຂະຫນາດໃຫຍ່, ມັນຕັດການນໍາໃຊ້ພະລັງງານແລະຄ່າໃຊ້ຈ່າຍທີ່ມາພ້ອມກັບມັນ. ນັ້ນແມ່ນເຫດຜົນທີ່ວ່າມັນເປັນທາງເລືອກທີ່ສຸດສໍາລັບວິທີແກ້ໄຂຄູ່ຮ່ວມມືດ້ານພະລັງງານໃນການຕັ້ງຄ່າການສົ່ງຕໍ່ອຸດສາຫະກໍາສູງ.
ແລະມັນກໍ່ແລ່ນລຽບດ້ວຍສຽງຕ່ໍາ: ມັນເຮັດໃຫ້ການສົ່ງຕໍ່ສະຫມໍ່າສະເຫມີ, ແລະສິ່ງລົບກວນມັກຈະຢູ່ໃນລະຫວ່າງ 30-40 db (a). ການຮ່ວມມືທີ່ຕ່ໍາໃນການປະຕິບັດງານທີ່ມີສຽງຕ່ໍາທີ່ສຸດ
Liang, ວິສະວະກອນການຜະລິດ, ບໍລິສັດ Zhejiang ບໍລິສັດຈໍາກັດ.
ພວກເຮົາເອົາ swc-wf ຂອງ Raydafon ໂດຍບໍ່ມີ Flex Flange ປະເພດ Coupling ໃນຫນຶ່ງໃນສາຍການຜະລິດຂອງພວກເຮົາ, ແລະມັນກໍ່ເຮັດວຽກໄດ້ດີແລ້ວ. ໂຄງສ້າງທີ່ລຽບງ່າຍແຕ່ມີຄວາມເຄັ່ງຄັດໃນການຕິດຕັ້ງມັນແມ່ນລົມ, ບໍ່ມີບາດກ້າວທີ່ສັບສົນ. ເມື່ອມັນຖືກສ້າງຕັ້ງຂຶ້ນ, ມັນແລ່ນກ້ຽງ, ບໍ່ຈໍາເປັນຕ້ອງມີການປັບແຕ່ງພິເສດ. ເຖິງແມ່ນວ່າໃນເວລາທີ່ການໂຫຼດຂອງການໂຫຼດ, ຄວາມສາມາດທີ່ຫນ້າເຊື່ອຖື, ຊຶ່ງຫມາຍຄວາມວ່າພວກເຮົາສາມາດຮັກສາເຄື່ອງຈັກທີ່ໃຊ້ເວລາຫລາຍຊົ່ວໂມງໂດຍບໍ່ຕ້ອງກັງວົນຫຼາຍເກີນໄປເຮັດໃຫ້ພວກເຮົາມີຄວາມສະຫງົບສຸກ.
⭐⭐⭐⭐⭐ Mei Mei, ຊື້ຜູ້ຄວບຄຸມ, ບໍລິສັດ Hebei Steel Co. , Ltd.
ບໍລິສັດຂອງພວກເຮົາໄດ້ຊື້ SWC-WF ຫຼາຍໆຄັ້ງໂດຍບໍ່ຕ້ອງໃຊ້ Flex Flange ປະເພດ Couplings ທົ່ວໄປຈາກ Raydafon Couplings. ສິ່ງທີ່ໂດດເດັ່ນແທ້ໆສໍາລັບຂ້ອຍແມ່ນສິ່ງທີ່ທີມງານກອງປະຊຸມກ່າວວ່າ: ພວກເຂົາບອກຂ້ອຍວ່າ couplings ແມ່ນງ່າຍທີ່ຈະຕິດຕັ້ງ, ແລະເວລາໃຊ້ພວກມັນ, ພວກເຂົາຮູ້ສຶກແຂງແຮງແທ້ໆ. ຍິ່ງໄປກວ່ານັ້ນ, ເມື່ອປຽບທຽບກັບຜູ້ສະຫນອງອື່ນໆ, ລາຄາທີ່ນີ້ແມ່ນຍຸດຕິທໍາ. ທັງຫມົດ, ພວກເຮົາດີໃຈຫຼາຍກັບການຊື້ນີ້.
⭐⭐⭐⭐⭐ Guo Jun, ຜູ້ຈັດການບໍາລຸງຮັກສາ, ກຸ່ມອຸດສາຫະກໍາຫນັກ Liaoning
ວຽກຂອງຂ້ອຍແມ່ນເພື່ອຮັກສາເຄື່ອງຈັກຂອງພວກເຮົາໃຫ້ແລ່ນ, ແລະຂ້ອຍພະຍາຍາມຕັດເວລາຫວ່າງເທົ່າທີ່ຂ້ອຍສາມາດເຮັດໄດ້ເທົ່າທີ່ຂ້ອຍສາມາດເຮັດໄດ້. ນັບຕັ້ງແຕ່ພວກເຮົາເລີ່ມຕົ້ນໃຊ້ SWC-WF ຂອງ Raydafon ໂດຍບໍ່ມີ Flex Flange ປະເພດ Coupling ທົ່ວໂລກ, ຂ້າພະເຈົ້າໄດ້ສັງເກດເຫັນຄວາມແຕກຕ່າງທີ່ໃຫຍ່ປານໃດໃນສ່ວນ, ແລະມີປັນຫາຫນ້ອຍກວ່າໃນລະຫວ່າງການດໍາເນີນງານ. ການອອກແບບທີ່ເຄັ່ງຄັດ, ແລະມັນບໍ່ຈໍາເປັນຕ້ອງມີການບໍາລຸງຮັກສາຫຼາຍ. ທີ່ຊ່ວຍປະຢັດພວກເຮົາທັງເວລາແລະເງິນ, ແລະມັນໄດ້ກາຍເປັນພາກສ່ວນທີ່ເພິ່ງພາອາໄສທີ່ສຸດສໍາລັບອຸປະກອນຂອງພວກເຮົາ.
Raydafon ແມ່ນບໍລິສັດຍ່ອຍສະຫນອງພະລັງງານທີ່ສໍາຄັນຂອງກຸ່ມບໍລິສັດ. ເນື່ອງຈາກວ່າພວກເຮົາເລີ່ມຕົ້ນ, ພວກເຮົາໄດ້ທັງຫມົດກ່ຽວກັບການກ້າວຫນ້າຂອງເຕັກໂນໂລຢີແລະການຂະຫຍາຍຕົວໃນຕະຫຼາດໂລກ; ພວກເຮົາບໍ່ໄດ້ຢຸດຢູ່ທີ່ຂາຍສ່ວນປະກອບດຽວ - ຕອນນີ້ພວກເຮົາມີຄວາມຕ້ອງການດ້ານລະບົບເຕັມທີ່ຂອງລະບົບທີ່ເຫມາະສົມກັບຄວາມຕ້ອງການດ້ານກະສິກໍາແລະຫນັກ. ຄວາມຮູ້ຂອງພວກເຮົາໃນການຂັບຂີ່ Shafts ແລະຜະລິດຕະພັນສົ່ງຕໍ່ທີ່ຕ້ອງການລູກຄ້າຫນັກ - ຫນ້າທີ່ສາມາດເຊື່ອຖືໄດ້
ທີ່ Raydafon, ພວກເຮົາສ້າງຜະລິດຕະພັນທີ່ຫລາກຫລາຍຄື: ກ່ອງ Gearboxes, ຂັບລົດກະບະ, ກະບອກສູບ, ແລະເຄື່ອງມືທີ່ມີຄວາມກ້າວຫນ້າຄືກັບເຄື່ອງຈັກ CNC ວິທີແກ້ໄຂທີ່ມີທ່າອ່ຽງທີ່ມີແຮງບິດສູງຂອງພວກເຮົາ - ເອົາຊຸດ SWC, ຍົກຕົວຢ່າງ - ຖືກສ້າງຂຶ້ນເພື່ອຈັດການກັບສະຖານະການທີ່ຕ້ອງການທີ່ຕ້ອງການທີ່ຈະທົນທານໃນການຮ່ວມມືກັບຜູ້ທີ່ມີຄວາມທົນທານໃນການຍົກແລະການຈັດການດ້ານອຸປະກອນ. ພວກເຮົາໄດ້ຮັບສິ່ງອໍານວຍຄວາມສະດວກທີ່ກ້າວຫນ້າເຊັ່ນກັນ: ເຄື່ອງຈັກບໍາລຸງຮັກສາແລະຄວາມຮ້ອນ, ເຄື່ອງມືວັດແທກ 3D ທີ່ພວກເຮົາເຮັດແມ່ນມີຄຸນນະພາບສູງແລະຊັດເຈນ.
ພວກເຮົາຂາຍສິນຄ້າ 80% ຂອງສິນຄ້າຂອງພວກເຮົາຢູ່ຕ່າງປະເທດ, ໄປຕະຫຼາດສະຫະລັດ, ເຢຍລະມັນ, ຍີ່ປຸ່ນ, ມາເລເຊຍ, ອົດສະຕາລີ, ອົດສະຕາລີກາງ. ແລະພວກເຮົາມີເຄືອຂ່າຍທີ່ເຂັ້ມແຂງໃນສະຖານທີ່ຕ່າງໆເຊັ່ນຈີນ, ເກົາຫຼີໃຕ້, ອັງກິດ, ສະຫະລັດ, ແລະສະເປນກັບຄືນນັ້ນ. ການເຂົ້າເຖິງທົ່ວໂລກນີ້ຊ່ວຍໃຫ້ພວກເຮົາສ້າງຄວາມຫມາຍທີ່ເຫມາະສົມ, ເຊັ່ນ: SWC ຫນັກ - Let Coupling ທີ່ຖືກອອກແບບມາສໍາລັບການນໍາໃຊ້ເຄື່ອງຈັກທີ່ຖືກນໍາໃຊ້ໃນການຈັດການກັບການໂຫຼດໃຫຍ່ແລະເປັນເວລາດົນນານ.
ນະວັດຕະກໍາແລະເຮັດໃຫ້ລູກຄ້າມີຄວາມສຸກແມ່ນບູລິມະສິດຂອງພວກເຮົາ. ພວກເຮົາສະເຫນີວິທີແກ້ໄຂທີ່ມີປະຫຍັດພະລັງງານທົ່ວໄປທີ່ມີປະສິດທິພາບໃນການສົ່ງຕໍ່ເຖິງ 98,6%, ຕັດຄ່າໃຊ້ຈ່າຍໃນການຕັ້ງຄ່າພະລັງງານສູງ. ບໍ່ວ່າທ່ານຕ້ອງການຄວາມເປັນໄປໄດ້ດ້ານພະລັງງານທີ່ມີປະສິດທິພາບໃນການສົ່ງໄຟຟ້າຂະຫນາດໃຫຍ່ຫລືມີສຽງຮ່ວມກັບບ່ອນທີ່ມີສຽງ, ຜະລິດຕະພັນຂອງພວກເຮົາມາພ້ອມກັບການເຮັດວຽກທີ່ຖືກຕ້ອງ. ນັ້ນແມ່ນເຫດຜົນທີ່ວ່າ Raydafon ແມ່ນການເລືອກທີ່ດີທີ່ສຸດສໍາລັບທຸກໆຄວາມຕ້ອງການຂອງທ່ານ.
ທີ່ຢູ່
ເຂດອຸດສາຫະກໍາ Luotuo, ເມືອງ Zhenhai, Ningbo City, ປະເທດຈີນ
ອີເມລ


+86-574-87168065


ເຂດອຸດສາຫະກໍາ Luotuo, ເມືອງ Zhenhai, Ningbo City, ປະເທດຈີນ
ສະຫງວນລິຂະສິດ© Baydafon GroupSholy Groups.
Links | Sitemap | RSS | XML | ນະໂຍບາຍຄວາມເປັນສ່ວນຕົວ |
