ລະຫັດ QR
ກ່ຽວກັບພວກເຮົາ
ຜະລິດຕະພັນ
ຕິດຕໍ່ພວກເຮົາ


ແຟັກ
+86-574-87168065

ອີເມລ

ທີ່ຢູ່
ເຂດອຸດສາຫະກໍາ Luotuo, ເມືອງ Zhenhai, Ningbo City, ປະເທດຈີນ
Raydafon's SWW-DH ຂອງ RODX WELDING WELDING COMPLING COURING. ມັນເປັນຄວາມຫນາແຫນ້ນຂອງການຮ່ວມມື Universal ທີ່ຫນາແຫນ້ນ, ໂດຍມີເສັ້ນຜ່າສູນກາງ gyration ທີ່ຕັ້ງແຕ່ 45 ມມຫາ 390mm. ເຖິງແມ່ນວ່າໃນເວລາທີ່ shafts ແມ່ນສູງເຖິງ 25 ອົງສາ (angular angularment), ມັນຍັງຍ້າຍແຮງບິດທີ່ມີຄວາມຕ້ອງການຢ່າງມີປະສິດຕິຜົນສູງທີ່ສຸດ 1000.
ພວກເຮົາເຮັດມັນດ້ວຍຄວາມເຂັ້ມແຂງສູງ 35crmo ເຫຼັກແລະຕື່ມຫມີເຂັມ 4 ຫນ່ວຍ, ເພື່ອໃຫ້ມັນຍຶດຫມັ້ນຢູ່ພາຍໃຕ້ການໂຫຼດຫນັກ. ນັ້ນແມ່ນເຫດຜົນທີ່ວ່າມັນເປັນການເລືອກເອົາທາດແຫຼວອຸດສາຫະກໍາ, ແລະເຮັດວຽກໄດ້ດີເທົ່າກັບອຸປະກອນຫນັກທີ່ເຊື່ອມໂລຫະທີ່ມີຢູ່ໃນບ່ອນທີ່ມີການໂຫຼດສູງ. ການອອກແບບສັ້ນຂອງມັນແມ່ນດີເລີດສໍາລັບເຄື່ອງຈັກທີ່ມີຫ້ອງນ້ອຍສໍາລັບການເຄື່ອນໄຫວຂອງແກນ, ກໍ່ໃຫ້ມີການແກ້ໄຂບັນຍາກາດທີ່ເຄັ່ງຄັດ.
Raydafon ແມ່ນຜູ້ຜະລິດທີ່ມີຄວາມເປັນຜູ້ຜະລິດຂອງຈີນທີ່ມີການຢັ້ງຢືນ ISO 9001, ສະນັ້ນພວກເຮົາຕິດກັບກົດລະບຽບທີ່ມີຄຸນນະພາບເຂັ້ມງວດສໍາລັບທຸກໆການສົມທົບກັນຂອງ SWC-DH. ເພົາຂ້າມໄດ້ຮັບແຜ່ນ chrome ເພື່ອຕ້ານກັບການກັດກ່ອນ, ສະນັ້ນມັນຈະແກ່ຍາວເຖິງແມ່ນແຕ່ວ່າສະພາບການຮຸນແຮງ. yoke ທີ່ເຊື່ອມຢູ່ເຮັດໃຫ້ການຕິດຕັ້ງງ່າຍຂຶ້ນ, ພຽງແຕ່ເປັນແຖວທີ່ຖືກຕ້ອງ, ແລະມັນກໍ່ເຮັດວຽກໄດ້ດີທີ່ສຸດ. ທ່ານຈະເຫັນມັນຢູ່ໃນເກຍໃນໂລຫະ, ຂຸດຄົ້ນບໍ່ແຮ່, ແລະລະບົບ crane, ບໍ່ມີບັນຫາຫຍັງເລີຍ.
ຍິ່ງໄປກວ່ານັ້ນ, ຄູ່ສົມບັດນີ້ແມ່ນມາໃນຂະຫນາດແລະການໃຫ້ຄະແນນແຮງບິດ. ຖ້າທ່ານຕ້ອງການຄວາມສໍາພັນແບບສາກົນເພື່ອໃຫ້ມີຄວາມຕ້ອງການແລະເຄື່ອງມືສະເພາະອື່ນໆ - ແລະລາຄາຄົງທີ່. ພວກເຮົາໄດ້ຮັບການຜະລິດທີ່ມີການຜະລິດ, ວິທີການເຮັດໃຫ້ການຮັກສາ flex ສັ້ນນີ້ຕັດລົງໃນເວລາພັກຜ່ອນຂອງອຸປະກອນ, ສະນັ້ນເຄື່ອງຈັກຂອງທ່ານຈະແລ່ນໄດ້ໂດຍລວມ.
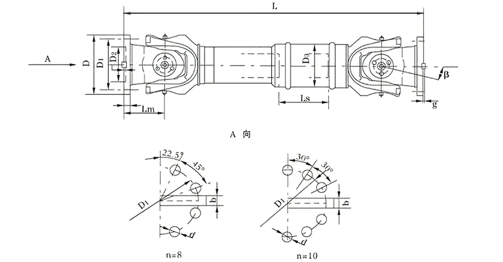
| ບໍ່. | ເສັ້ນຜ່າສູນກາງ GYRATI D mm | ແຮງບິດ ທ້າເດດ k · m · m | ແກນມຸມເທົ່າ β (°) | Weary Torque TF k · m · m | ປະລິມານ flex ls mm | ຂະຫນາດ (ມມ) | ການຫມູນວຽນຂອງ inertia kg.m2 | ນ້ໍາຫນັກ (ກິໂລ) | |||||||||||
| lmin ໄດ້ | D1 (JS11) | d2 (h7) | d3 | lm | n-d | k | t | b (h9) | g | lmin ໄດ້ | ເພີ່ມຂຶ້ນ 100mm | lmin ໄດ້ | ເພີ່ມຂຶ້ນ 100mm | ||||||
| SWC180DH1 | 180 | 20 | 10 | ≤25 | 75 | 650 | 155 | 105 | 114 | 110 | 8-17 | 17 | 5 | - | - | 0.165 | 0.0070 | 58 | 2.8 |
| SWC180DH2 | 55 | 600 | 0.162 | 56 | |||||||||||||||
| SWC180DH3 | 40 | 550 | 0.160 | 52 | |||||||||||||||
| SWC225DH1 | 225 | 40 | 20 | ≤15 | 85 | 710 | 196 | 135 | 152 | 120 | 20 | 5 | 32 | 9.0 | 0.415 | 0.0234 | 95 | 4.9 | |
| SWC225DH2 | 70 | 640 | 0.397 | 92 | |||||||||||||||
| SWC250DH1 | 250 | 63 | 31.5 | ≤15 | 100 | 795 | 218 | 150 | 168 | 140 | 8-19 | 25 | 6 | 40 | 12.5 | 0.900 | 0.0277 | 148 | 5.3 |
| SWC250DH2 | 70 | 735 | 0.885 | 136 | |||||||||||||||
| SWC285DH1 | 285 | 90 | 45 | ≤15 | 120 | 950 | 245 | 170 | 194 | 160 | 8-21 | 27 | 7 | 40 | 15.0 | 1.876 | 0.0510 | 229 | 6.3 |
| SWC285DH2 | 80 | 880 | 1.801 | 221 | |||||||||||||||
| SWC315DH1 | 315 | 125 | 63 | ≤15 | 130 | 1070 | 280 | 185 | 219 | 180 | 10-23 | 32 | 8 | 40 | 15.0 | 3.331 | 0.0795 | 346 | 8.0 |
| SWC315DH2 | 90 | 980 | 3.163 | 334 | |||||||||||||||
| SWC350DH1 | 350 | 180 | 90 | ≤15 | 140 | 1170 | 310 | 210 | 267 | 194 | 10-23 | 35 | 8 | 50 | 16.0 | 6.215 | 0..2219 | 508 | 15.0 |
| SWC350DH2 | 90 | 1070 | 5.824 | 485 | |||||||||||||||
| SWC390dH1 | 390 | 250 | 125 | ≤15 | 150 | 1300 | 345 | 235 | 267 | 215 | 10-25 | 40 | 8 | 70 | 18.0 | 11.125 | 0.2219 | 655 | |
| SWC390DH2 | 90 | 1200 | 10.763 | 600 | |||||||||||||||
* 1. . * 2. LMIN - ຄວາມຍາວຫນ້ອຍທີ່ສຸດຫຼັງຈາກທີ່ຕັດ. * 3. ຄວາມຍາວຂອງການຕິດຕັ້ງ, ເຊິ່ງແມ່ນອີງຕາມຄວາມຕ້ອງການ
ການ coupling ຮ່ວມກັນຂອງ SWC, ມັກເອີ້ນວ່າ SWC Cardan Shaft Universal Counteral, ແມ່ນສ່ວນປະກອບສໍາຄັນໃນສະຖານະການອຸດສາຫະກໍາຫນັກ. ມັນເປັນສິ່ງທີ່ຂາດບໍ່ໄດ້ສໍາລັບໂຮງສີຫມູນວຽນ, ເຄື່ອງຈັກກົມນ້ອຍ, ແລະລະບົບເຄື່ອງຈັກຫນັກທີ່ມີຂະຫນາດໃຫຍ່. ໃນຖານະເປັນການເລືອກເອົາການຮ່ວມມືກັນທີ່ມີຄວາມສູງທີ່ສຸດໃນການລະບົບສາຍສົ່ງທີ່ມີເພົາທີ່ບໍ່ແມ່ນ cindncident, ຮັບປະກັນການສົ່ງຕໍ່ໄຟຟ້າທີ່ບໍ່ມີການລົບກວນແມ້ແຕ່ຢູ່ໃນສະພາບແວດລ້ອມທີ່ສະລັບສັບຊ້ອນແລະຫຍຸ້ງຍາກ.
ຕົວກໍານົດການດ້ານວິຊາການຫຼັກຂອງຄູ່ສົມບູນນີ້ແມ່ນດັ່ງຕໍ່ໄປນີ້:
ເສັ້ນຜ່າສູນກາງ GYRATH: φ58 - φ620
torque ນາມ: 0.15 - 1000 k · m
ມຸມພັບ Axis: ≤25°
ໃນການນໍາໃຊ້ພາກປະຕິບັດ, ມັນປະຕິບັດໄດ້ດີເປັນພິເສດ. ຍົກຕົວຢ່າງ, ໃນລະຫວ່າງການປະຕິບັດງານຂອງໂຮງງານຜະລິດຕະກູນຮ່ວມກັນທີ່ຫນ້າເຊື່ອຖື, ຫຼືການຍົກຂອງ SWC, ຜະລິດຕະພັນທີ່ທົນທານໃນທົ່ວໂລກແມ່ນມີຄວາມສາມາດເຕັມທີ່. ເຖິງແມ່ນວ່າຢູ່ພາຍໃຕ້ຄວາມຫນັກຫນ່ວງ, ມັນສາມາດຮັກສາຄວາມຫມັ້ນຄົງໃນການປະຕິບັດງານຂອງອຸປະກອນດັ່ງກ່າວ.
The SWC Universal Coupling ຮ່ວມກັນແມ່ນຖືກອອກແບບໂດຍໃຊ້ຫລັກການດ້ານວິສະວະກໍາຂັ້ນສູງ, ໃຫ້ການປະຕິບັດງານພິເສດແລະການບໍລິການທີ່ຍາວກວ່າໃນສະພາບແວດລ້ອມໃນອຸດສະຫະກໍາ. ລັກສະນະໂຄງສ້າງຕົ້ນຕໍຂອງມັນມີດັ່ງນີ້:
ໂຄງສ້າງທີ່ສົມເຫດສົມຜົນແລະປອດໄພ: ປະກອບດ້ວຍການອອກແບບຫົວຂອງຄວາມຍາວຂອງສ້ອມໄດ້ປະສົມປະສານກັນ, ຄວາມສ່ຽງທີ່ຈະມີຄວາມເຂັ້ມແຂງຂອງໂຄງສ້າງໂດຍ 30% -50%. ການອອກແບບນີ້ຮັບປະກັນການດໍາເນີນງານທີ່ປອດໄພແລະເຊື່ອຖືໄດ້, ຂະຫຍາຍອາການບໍລິການທຽບກັບລະບົບຄວາມລົ້ມເຫຼວຂອງທົ່ວໄປເຊັ່ນ: ລະບົບຄູ່ທີ່ມີຄວາມດັນທົ່ວໄປ.
ຄວາມສາມາດໃນການໂຫຼດທີ່ໄດ້ຮັບການປັບປຸງ: SWC ຫນັກ - ຫນ້າທີ່ໄດ້ຖືກອອກແບບໂດຍສະເພາະການໂຫຼດຫນັກ, ເຮັດໃຫ້ສະຖານະການທີ່ຕ້ອງການການຄຸ້ມຄອງການໂຫຼດທີ່ດີເລີດເຊັ່ນ: ເຄື່ອງຈັກກໍ່ສ້າງ.
ປະສິດທິພາບໃນລະດັບສາຍສົ່ງສູງສຸດເຖິງ 98,6,6%, ການຮ່ວມມືກັບພະລັງງານທີ່ມີປະສິດຕິພາບສູງຂື້ນສໍາລັບການແກ້ໄຂບັນທຶກການນໍາໃຊ້ພະລັງງານທົ່ວໄປໃນລະບົບສາຍສົ່ງທີ່ມີພະລັງງານ.
ການປະຕິບັດງານທີ່ຫມັ້ນຄົງກັບສຽງຕ່ໍາ: ສິ່ງທີ່ມີສຽງຕໍ່າກວ່ານີ້ໄດ້ດໍາເນີນໄປຢ່າງສະຫມໍ່າສະເຫມີດ້ວຍລະດັບສຽງດັງໂດຍປົກກະຕິລະຫວ່າງ 30-40 dB (A), ຮັບປະກັນການປະຕິບັດງານທີ່ງຽບສະຫງົບ. ມັນເຫມາະສໍາລັບສະພາບແວດລ້ອມທີ່ມີສຽງລົບກວນໃນຂະນະທີ່ຮັກສາຄວາມຫນ້າເຊື່ອຖືສູງ.
Couplings ທົ່ວໄປ, ໂດຍສະເພາະແມ່ນ SWC Cardan Shaft Universal Counteral, ໄດ້ກາຍເປັນສ່ວນປະກອບໃນການສົ່ງທີ່ຂາດບໍ່ໄດ້ໃນການສະຫມັກອຸດສາຫະກໍາຍ້ອນຄວາມໄດ້ປຽບທີ່ຍັງຄ້າງຄາ. ພວກເຂົາສາມາດຕອບສະຫນອງຄວາມຕ້ອງການຫຼັກກັບການສະແດງຂອງພວກເຂົາໃນທົ່ງນາເຊັ່ນ: ເຄື່ອງຈັກຫນັກ, ການຜະລິດທີ່ຊັດເຈນ, ແລະການສົ່ງຕໍ່ພະລັງງານ. ຂ້າງລຸ່ມນີ້ແມ່ນການວິເຄາະລາຍລະອຽດກ່ຽວກັບຂໍ້ໄດ້ປຽບທີ່ສໍາຄັນຂອງພວກເຂົາ:
1. ການສົ່ງຕໍ່ແຮງແຮງແຮງແຮງແຮງແຮງແຮງແລະການຊົດເຊີຍທີ່ບໍ່ຖືກຕ້ອງທີ່ດີເລີດ
ໃນຖານະເປັນການເຄື່ອນໄຫວຮ່ວມກັນທົ່ວໄປທີ່ມີໄຟສາຍທົ່ວໄປ,, ມັນສາມາດສົ່ງຕໍ່ສົ່ງໄຟຟ້າໄດ້ສູງ. ເຖິງແມ່ນວ່າຢູ່ໃນສະຖານະການທີ່ misilingment ຂອງ shaft ເກີດຂື້ນເລື້ອຍໆໃນລະຫວ່າງການປະຕິບັດການໂຮງງານມ້ວນ - ຫນ້າທີ່ໄດ້ຮັບການປ່ຽນແປງຢ່າງຫນັກ - ຫນ້າເຊື່ອຖືສາມາດຈັດການກັບການດໍາເນີນງານຂອງໂຮງງານຜະລິດ. ມັນສາມາດຊົດເຊີຍສໍາລັບ misilial, ແລະ apolial, ແລະ radial, ມີ misalignment ເປັນລ່ຽມສູງສຸດເຖິງ 25 ອົງສາ. ນີ້ສາມາດປັບຕົວໄດ້ງ່າຍທີ່ສຸດທີ່ສາມາດປັບຕົວໄດ້ວ່າການຕິດຂັດການເຄື່ອນໄຫວ, ຮັບປະກັນຄວາມເປັນໄປໄດ້ຢ່າງຕໍ່ເນື່ອງແລະຮັບປະກັນການດໍາເນີນງານຢ່າງຕໍ່ເນື່ອງຂອງສາຍການຜະລິດຢ່າງຕໍ່ເນື່ອງ.
2. ຄວາມທົນທານສູງແລະຊີວິດການບໍລິການທີ່ຍາວກວ່າ
ການອອກແບບແລະການເລືອກວັດສະດຸຂອງ SWC University Couplings ຮ່ວມກັນແມ່ນຈຸດໃຈກາງຂອງການໂຫຼດຫນັກແລະຕ້ານທານກັບສະພາບແວດລ້ອມທີ່ໂຫດຮ້າຍ ". ຮ່າງກາຍຕົ້ນຕໍແມ່ນເຮັດດ້ວຍເຫຼັກໂລຫະປະສົມທີ່ມີຄວາມແຂງແຮງສູງ, ລວມກັບໂຄງສ້າງຫົວຂອງຄວາມແຂງຕົວ, ເຊິ່ງເປັນພື້ນຖານຂອງການແຕກແຍກກັນແລະການແຕກແຍກ. ການກິນເສື້ອຜ້າຮ່ວມທີ່ທົນທານທົ່ວໄປໃນການຍົກແລະອຸປະກອນການຈັດການກັບການໂຫຼດຢ່າງໄວວາເມື່ອມີການປະຕິບັດຢ່າງແຮງໃນສະພາບແວດລ້ອມທີ່ໂຫດຮ້າຍເຊັ່ນ: ຝຸ່ນແລະອຸນຫະພູມສູງ. ເມື່ອປຽບທຽບກັບ couplings-swnure ແບບດັ້ງເດີມ, ການຮັກສາຮ່ວມກັນທົ່ວໄປນີ້ມີຄວາມເຂັ້ມແຂງໂດຍລວມເພີ່ມຂຶ້ນ 30%, ເຊິ່ງບໍ່ພຽງແຕ່ຫຼຸດຜ່ອນຄວາມຖີ່ຂອງການບໍາລຸງຮັກສາແຕ່ລະປະຈໍາວັນນີ້ເທົ່ານັ້ນ. ມັນມີຄວາມເຫມາະສົມໂດຍສະເພາະສໍາລັບຄວາມຕ້ອງການການດໍາເນີນການທີ່ມີການດໍາເນີນງານທີ່ມີຄວາມຍາວໃນໄລຍະຍາວຂອງລະບົບຫນັກທີ່ມີເຄື່ອງຈັກຫນັກ.
3. ປະສິດທິພາບໃນລະບົບສາຍສົ່ງສູງແລະມີຜົນກະທົບດ້ານພະລັງງານທີ່ສໍາຄັນ
ການທົດສອບໄດ້ສະແດງໃຫ້ເຫັນວ່າປະສິດທິພາບການສົ່ງຕໍ່ຂອງ SWC ຫນັກ - ມີຄວາມຮູ້ດ້ານການຂົນສົ່ງທີ່ມີຄວາມຊັດເຈນ. ສໍາລັບອຸປະກອນທີ່ຮຽກຮ້ອງໃຫ້ມີການສົ່ງຕໍ່ໄຟຟ້າທີ່ສູງທີ່ສຸດ, ການຈັບຄູ່ກັບການຮ່ວມມືຮ່ວມທັງປະສິດທິພາບທົ່ວໄປທີ່ມີປະສິດທິພາບໃນການສົ່ງໄຟຟ້າຂະຫນາດໃຫຍ່ສາມາດຫຼຸດຜ່ອນການສູນເສຍພະລັງງານ. ສໍາລັບວິສາຫະກິດທີ່ປະຫຍັດພະລັງງານ, ການປ່ຽນແປງໂດຍກົງໃນແຕ່ລະປີ
4. ການດໍາເນີນງານທີ່ຫມັ້ນຄົງແລະງຽບ, ເຫມາະສໍາລັບຫລາຍໆສະຖານະການ
ໂດຍການເພີ່ມປະສິດທິພາບຂອງຄວາມຖືກຕ້ອງຂອງການຮັບຜິດຊອບແລະການນໍາໃຊ້ grease lubricating ກັບ coleing friction ຕ່ໍາທີ່ມີລະດັບສຽງທີ່ມີຄວາມຜິດປົກກະຕິໃນລະດັບຕໍ່າສຸດຂອງຫ້ອງການປະຈໍາວັນ ໃນສະຖານະການການຜະລິດສິ່ງລົບກວນ - ເຊັ່ນ: ສາຍການຜະລິດໃນໂຮງງານປຸງແຕ່ງອາຫານແລະຄວາມຫນ້າເຊື່ອຖືຂອງລະບົບການປະຕິບັດງານຫຼືການດໍາເນີນງານຂອງພະນັກງານເນື່ອງຈາກມີສຽງດັງ. ໃນເວລາດຽວກັນ, ຄຸນລັກສະນະການສົ່ງທີ່ຫມັ້ນຄົງຍັງສາມາດຫຼຸດຜ່ອນການສວມໃສ່ຂອງສ່ວນປະກອບທີ່ຢູ່ອ້ອມຂ້າງທີ່ເກີດຈາກການສັ່ນສະເທືອນຂອງອຸປະກອນ, ປັບປຸງຄວາມຫມັ້ນຄົງແລະການບໍລິການຂອງລະບົບການຜະລິດທັງຫມົດຕື່ມອີກ.
ການເຊື່ອມໂຍງກັບ SWC-DELEING WELDING COUPLING COUPLING ທົ່ວໄປ, ມັກຈະຖືກເອີ້ນວ່າ counteral ຮ່ວມກັນຂອງ SWC Cardan, ສ່ວນໃຫຍ່ແມ່ນໃຊ້ໃນສະຖານະການເຄື່ອງຈັກຫນັກເຊັ່ນ: ໂຮງສີເຄື່ອງຈັກທີ່ຖືກນໍາໃຊ້ເຊັ່ນ: ໂຮງສີເຄື່ອງຈັກຫນັກແລະຫນ້າຮັກ. ອຸປະກອນປະເພດນີ້ມີຄວາມຕ້ອງການສູງທີ່ສຸດສໍາລັບຄວາມຫນາແຫນ້ນຂອງໂຄງສ້າງແລະຄວາມຍືດຍຸ່ນໄດ້ໂດຍການປະຕິບັດງານສອງຢ່າງທີ່ສາມາດບັນລຸໄດ້, ແລະການໃຫ້ຄູ່ຮັກນີ້ຕອບສະຫນອງຄວາມຕ້ອງການດັ່ງກ່າວ. ໃນຖານະເປັນຄວາມເປັນຜູ້ທີ່ມີຄວາມສູງລວມທັງສອງຢ່າງທີ່ມີທ່າອ່ຽງທີ່ມີການສົ່ງຕໍ່ສອງຢ່າງທີ່ບໍ່ແມ່ນ Coincident Axs, ຮັບປະກັນຄ່າໄຟຟ້າອຸດສາຫະກໍາທີ່ໂຫດຮ້າຍສໍາລັບລະບົບ Shaft Misalignment.
ຕ້ອງມີການເຮັດວຽກຮ່ວມກັນແບບປະຕິບັດ, ຜະລິດຕະພັນທີ່ມີຄວາມລະອຽດແລະມີການເຮັດວຽກທີ່ດີເລີດໃນການດໍາເນີນງານ. ປະໂຫຍດມາດຕະຖານຂອງມັນແມ່ນມີລັກສະນະອຸປະກອນທີ່ໂດດເດັ່ນໂດຍສະເພາະໃນບ່ອນທີ່ມີພື້ນທີ່ຈໍາກັດແລະມີການອອກແບບໂຄງສ້າງທີ່ມີຄວາມຍືດຫຍຸ່ນສັ້ນ.
ການຮ່ວມມືຮ່ວມກັນຂອງ SWC-DH ໄດ້ຖືກສ້າງຂຶ້ນດ້ວຍເຕັກໂນໂລຢີວິສະວະກໍາຂັ້ນສູງແລະການປັບປຸງສໍາລັບຊີວິດແລະການບໍລິການໂດຍສະເພາະສໍາລັບສະຖານະການອຸດສາຫະກໍາ. ຄຸນລັກສະນະຂອງໂຄງສ້າງຫຼັກຂອງມັນແມ່ນຢູ່ໃນການອອກແບບຫົວທີ່ສົມເຫດສົມຜົນຂອງຄວາມຍາວຂອງສ້ອມສູງຂື້ນໂດຍພື້ນຖານທີ່ເຊື່ອງໄວ້ຂອງການຫົດຫູ່ຫຼືການແຕກແຍກ, ເພີ່ມຄວາມເຂັ້ມແຂງໂດຍລວມໂດຍ 30% -50%. ການອອກແບບນີ້ບໍ່ພຽງແຕ່ຮັບປະກັນຄວາມປອດໄພແລະຄວາມຫນ້າເຊື່ອຖືຂອງການບໍລິການເມື່ອທຽບໃສ່ກັບສະຖານະການລົ້ມເຫຼວທົ່ວໄປເຊັ່ນ: ລະບົບການໃຊ້ເຄື່ອງຈັກທີ່ມີຄວາມກົດດັນທົ່ວໄປ.
ນອກຈາກນັ້ນ, ຄວາມສາມາດໃນການໂຫຼດຂອງມັນໄດ້ຖືກປັບປຸງຜ່ານການອອກແບບເພື່ອທົນກັບຄວາມຫນັກຫນ່ວງທີ່ສຸດ, ສະນັ້ນ SWC ຫນັກ - ຫນ້າທີ່ຂອງສະຖານະການທີ່ມີຄວາມສາມາດໃນການໂຫຼດ. ໃນແງ່ຂອງປະສິດທິພາບການສົ່ງຕໍ່, ມັນຮອດເຖິງ 98,6%. ໃນຖານະເປັນຄູ່ຮ່ວມມືຮ່ວມກັນທີ່ມີປະສິດທິພາບໃນການຖ່າຍທອດພະລັງງານຂະຫນາດໃຫຍ່, ມັນສາມາດຫຼຸດຜ່ອນຜະລິດຕະພັນການໃຊ້ພະລັງງານແລະຜະລິດຕະພັນທີ່ຕ້ອງການສໍາລັບການແກ້ໄຂບັນທຶກການນໍາໃຊ້ພະລັງງານ.
ສຸດທ້າຍ, ຄວາມສໍາຄັນຂອງການກັບຄືນນີ້, ມີສຽງປະຕິບັດງານໂດຍປົກກະຕິຄວບຄຸມຢູ່ທີ່ 30-40 db (a), ເຮັດໃຫ້ມັນເປັນການຮ່ວມມືກັນທີ່ມີສຽງຕໍ່າ. ຄຸນລັກສະນະນີ້ອະນຸຍາດໃຫ້ມັນປະຕິບັດງານຢ່າງງຽບໆເຖິງແມ່ນວ່າສະຖານະການອຸດສາຫະກໍາທີ່ມີຄວາມອ່ອນໄຫວໃນຂະນະທີ່ຮັກສາຄວາມຫນ້າເຊື່ອຖືສູງ.
Li Wang Lei, ວິສະວະກອນໂຄງການ, ວິສະວະກອນໂຄງການ, ບໍລິສັດເຄື່ອງຈັກຫນັກ Guangdodong ຫນັກ, Ltd.
ພວກເຮົາໄດ້ໃຊ້ SWCE-DUR ຂອງ ROYDFON WELD FLEX FLEX COURING MIRIEMERS FLEX ໃນເວລາດຽວນີ້, ແລະມັນເປັນຄວາມແປກໃຈທີ່ຫນ້າຍິນດີ - ໃນເວລາທີ່ເຫມາະສົມກັບຈຸດທີ່ໃກ້ຊິດ. ອຸປະກອນຂອງພວກເຮົາມີພື້ນທີ່ຈໍາກັດທີ່ສວຍງາມສໍາລັບຊິ້ນສ່ວນການສົ່ງຕໍ່, ແຕ່ການອອກແບບທີ່ມີສ່ວນຮ່ວມຂອງຄູ່ຜົວເມຍເຫມາະສົມກັບຖົງມື, ບໍ່ຈໍາເປັນຕ້ອງຈັດແຈງສ່ວນປະກອບອື່ນໆເພື່ອເຮັດໃຫ້ມັນເຮັດວຽກ.
ສິ່ງທີ່ດີກວ່າແມ່ນວ່າມັນບໍ່ໄດ້ເສຍສະຫຼະປະສິດທິພາບສໍາລັບຂະຫນາດ. ມັນຍັງສະຫນອງການສົ່ງຕໍ່ທີ່ເຂັ້ມແຂງ, ສະຫມໍ່າສະເຫມີທີ່ສໍາຄັນສໍາລັບການດໍາເນີນງານທີ່ຫນັກຂອງພວກເຮົາ. ພວກເຮົາໄດ້ດໍາເນີນການມັນຢ່າງຕໍ່ເນື່ອງເປັນເວລາຫລາຍອາທິດ, ແລະມີການສັ່ນສະເທືອນທີ່ຜິດປົກກະຕິ; ລະບົບທັງຫມົດຢູ່ລຽບ. ຄຸນນະພາບຂອງການເຊື່ອມໂລຫະແມ່ນອີກຈຸດຫນຶ່ງຄືກັນ - ທ່ານສາມາດບອກໄດ້ວ່າມັນແຂງພຽງແຕ່ເບິ່ງມັນ, ເຊິ່ງເຮັດໃຫ້ພວກເຮົາມີຄວາມຫມັ້ນໃຈໃນໄລຍະຍາວ. ສໍາລັບການຮັກສາທີ່ຍອດເງິນທີ່ອອກແບບສະຖານທີ່ແລະຄວາມຫນ້າເຊື່ອຖື, ຜູ້ທີ່ໄດ້ຮັບໄຊຊະນະນີ້.
⭐⭐⭐⭐⭐ Zhao Ming, ຈັດການຈັດຊື້, ບໍລິສັດອຸປະກອນເຫຼັກກ້າ Tianjin.
ເມື່ອບໍ່ດົນມານີ້ພວກເຮົາໄດ້ສັ່ງໃຫ້ SWC-Dh ຫຼາຍໆຄົນຈາກ Raydafon, ແລະຂ້າພະເຈົ້າຕ້ອງເວົ້າ, ຂະບວນການຈັດຊື້ທັງຫມົດແມ່ນອາການເຈັບທ້ອງ, ບໍ່ມີຄວາມຊັກຊ້າ. ຕັ້ງແຕ່ເວລາທີ່ພວກເຮົາໄດ້ສົ່ງຕາມຄໍາສັ່ງ, ທີມງານຂອງພວກເຂົາແມ່ນຕອບສະຫນອງ, ແລະການຈັດສົ່ງໄດ້ສະແດງຢູ່ໃນວັນທີ, ເຊິ່ງເປັນບວກທີ່ກໍານົດໄວ້ສໍາລັບການໃຫ້ການຜະລິດຂອງພວກເຮົາຕິດຕາມ. ການຫຸ້ມຫໍ່ແມ່ນຍັງຢູ່ເທິງສຸດ: ແຕ່ລະຄູ່ສົມທົບກັນຢ່າງປອດໄພ, ບໍ່ມີຮອຍແຕກຫຼືຄວາມເສຍຫາຍໃນລະຫວ່າງການຂົນສົ່ງແລະຕິດຕັ້ງ.
ທີມງານເຕັກນິກຂອງພວກເຮົາໄດ້ຈັດການການຕັ້ງຄ່າ, ແລະພວກເຂົາໄດ້ກ່າວເຖິງທັນທີທີ່ງ່າຍທີ່ຈະຕິດຕັ້ງ. ບໍ່ມີຂັ້ນຕອນທີ່ສັບສົນ, ບໍ່ຈໍາເປັນຕ້ອງລ່າສັດເຄື່ອງມືພິເສດ - ພວກມັນພໍດີກັບໄວ, ແລະມັນກໍ່ແລ່ນໄດ້ຕັ້ງແຕ່ນັ້ນມາ. ເມື່ອທ່ານປັດໄຈໃນລາຄາທີ່ເຫມາະສົມກັບການປະຕິບັດທີ່ສອດຄ່ອງກັບສິ່ງນີ້, ມັນຈະແຈ້ງວ່າຄູ່ນີ້ມີຄຸນຄ່າຫລາຍ. ພວກເຮົາກໍາລັງວາງແຜນແລ້ວທີ່ຈະຮັກສາມັນຢູ່ໃນບັນຊີການຈັດຊື້ສິນຄ້າປົກກະຕິຂອງພວກເຮົາ; ມັນແມ່ນປະເພດຂອງຜະລິດຕະພັນທີ່ເຮັດໃຫ້ວຽກຂອງຂ້ອຍເປັນຜູ້ຊື້ງ່າຍກວ່າ.
⭐⭐⭐⭐⭐ Liu Hong, ຜູ້ອໍານວຍການບໍາລຸງຮັກສາ, ກຸ່ມອຸດສາຫະກໍາ Shandong
ໃນຖານະເປັນຄົນທີ່ດູແລການບໍາລຸງຮັກສາອຸປະກອນ, ບູລິມະສິດທີ່ໃຫຍ່ທີ່ສຸດຂອງຂ້ອຍແມ່ນການຕັດລົງໃນເວລາກາງເວັນແລະຫຼຸດຜ່ອນເວລາທີ່ທີມງານຂອງຂ້ອຍໃຊ້ເວລາໃນພາກສ່ວນຂອງຜູ້ໃຫ້ບໍລິການ. Raydafon's SWC-DH ຂອງ Raydfon ກວດສອບທັງສອງກ່ອງເຫຼົ່ານັ້ນຢ່າງສົມບູນ. ພວກເຮົາໃຊ້ມັນເປັນອຸປະກອນທີ່ແລ່ນພາຍໃຕ້ເວລາເຮັດວຽກຫນັກປະຈໍາວັນ, ແລະມັນບໍ່ເຄີຍເລື່ອນຫລືປ່ຽນແປງໄດ້ຢ່າງແຫນ້ນຫນາ, ບໍ່ມີການເຊື່ອມຕໍ່ວ່າງ. ເຖິງແມ່ນວ່າຫຼັງຈາກການນໍາໃຊ້ເປັນເດືອນ, ມັນບໍ່ມີສັນຍານໃດໆຂອງການສວມໃສ່, ເຊິ່ງມັນກົງກັນຂ້າມກັບຄູ່ຜົວເມຍອື່ນໆທີ່ພວກເຮົາໄດ້ໃຊ້ມາກ່ອນ.
ກັບ couplings ເກົ່າເຫຼົ່ານັ້ນ, ພວກເຮົາສະເຫມີກໍານົດການແກ້ໄຂທີ່ວ່ອງໄວຫຼືການທົດແທນສ່ວນຫນຶ່ງ, ເຊິ່ງໄດ້ຮັບປະທານໃຫ້ເຂົ້າໃນເວລາຜະລິດແລະເພີ່ມຄ່າໃຊ້ຈ່າຍ. ນີ້? ພວກເຮົາບໍ່ແຕະມັນ - ບໍ່ມີການບໍລິການເລື້ອຍໆ, ບໍ່ມີການແບ່ງແຍກທີ່ບໍ່ຄາດຄິດ. ມັນໄດ້ຊ່ວຍພວກເຮົາໃຫ້ພວກເຮົາໃຊ້ເວລາແລະເງິນຫຼາຍໃນການບໍາລຸງຮັກສາ, ແລະມັນພຽງແຕ່ເຮັດໃຫ້ການເຮັດວຽກຂອງຕົນເອງ. ມື້ນີ້, ມັນກາຍເປັນສ່ວນປະກອບທີ່ເຂົ້າໄປໃນການດໍາເນີນງານປະຈໍາວັນຂອງພວກເຮົາ; ຂ້າພະເຈົ້າບໍ່ຕ້ອງກັງວົນກ່ຽວກັບມັນທີ່ລົ້ມເຫລວ, ເຊິ່ງເຮັດໃຫ້ຂ້ອຍສຸມໃສ່ບຸລິມະສິດອື່ນໆ. ມັນແມ່ນປະເພດຂອງພາກສ່ວນທີ່ຫນ້າເຊື່ອຖືໄດ້ທຸກໆທີມງານບໍາລຸງຮັກສາຄວາມຕ້ອງການ.
ທີ່ຢູ່
ເຂດອຸດສາຫະກໍາ Luotuo, ເມືອງ Zhenhai, Ningbo City, ປະເທດຈີນ
ອີເມລ


+86-574-87168065


ເຂດອຸດສາຫະກໍາ Luotuo, ເມືອງ Zhenhai, Ningbo City, ປະເທດຈີນ
ສະຫງວນລິຂະສິດ© Baydafon GroupSholy Groups.
Links | Sitemap | RSS | XML | ນະໂຍບາຍຄວາມເປັນສ່ວນຕົວ |
