ລະຫັດ QR
ກ່ຽວກັບພວກເຮົາ
ຜະລິດຕະພັນ
ຕິດຕໍ່ພວກເຮົາ


ແຟັກ
+86-574-87168065

ອີເມລ

ທີ່ຢູ່
ເຂດອຸດສາຫະກໍາ Luotuo, ເມືອງ Zhenhai, Ningbo City, ປະເທດຈີນ
ຖ້າທ່ານກໍາລັງຈັດການກັບເຄື່ອງຈັກຄ້າຍຄືຈັກສູບນ້ໍາທີ່ເຄື່ອນຍ້າຍໃນທຸກມື້, ນັ້ນແມ່ນສິ່ງທີ່ແນ່ນອນວ່າການສໍາຫລວດ NYDFON GEAR COUPLE ທີ່ມີຄວາມຍືດຫຍຸ່ນ Nylon. ມັນຈັບໄດ້ເຖິງ 4 ມມຂອງແກນແກນແລະ 2 ລະດັບຂອງ angular angular, ສະນັ້ນເຖິງແມ່ນວ່າມັນບໍ່ໄດ້ລຽນແຖວຢ່າງສົມບູນ, ມັນກໍ່ເຮັດໃຫ້ເກຍຂອງທ່ານແລ່ນໂດຍບໍ່ມີການແລ່ນ.
ພວກເຮົາມີແບບຈໍາລອງຈາກ NL1 ທຸກວິທີທາງໄປທີ່ NL10, ສະນັ້ນມັນມີຄວາມເຫມາະສົມສໍາລັບເກືອບທຸກບ່ອນທີ່ມີຫນ້າທີ່. ຄວາມສາມາດທໍລະມານສູງຂື້ນຈາກ 40 N · m ເຖິງວັນທີ 31 N ·ແລະເບື່ອຫນ່າຍຈາກ 6mm ຫາ 100mm - ບໍ່ຕ້ອງການລ່າສັດຂະຫນາດໃຫຍ່ຫຼືນ້ອຍເກີນໄປ. ສິ່ງທີ່ເຮັດໃຫ້ການເຄືອບເກຍ nylon ທີ່ໂດດເດັ່ນນີ້ແມ່ນການກໍ່ສ້າງຂອງມັນ: ເສອແຂນທີ່ມີຄວາມເຂັ້ມແຂງສູງທີ່ມີຄວາມເຂັ້ມແຂງຂອງວົງຈອນລີນ. ປະສົມປະສານວ່າມັນແລ່ນງຽບ, ແລະທ່ານບໍ່ຕ້ອງສໍາຜັດກັບການຮັກສາ - ບໍ່ມີການກວດສອບຫຼືແກ້ໄຂໃຫ້ທ່ານຊ້າລົງ. ມັນເປັນການໄປຫາທີ່ເອົາເຄື່ອງມືເກຍທີ່ປ່ຽນແປງໄດ້ສໍາລັບເຄື່ອງຈັກອຸດສາຫະກໍາ, ແລະຖ້າທ່ານກໍາລັງເຮັດວຽກໂດຍສະເພາະເຄື່ອງຈັກ, ມັນແມ່ນຫນຶ່ງໃນບັນດາລະບົບເກຍອໍ້ທີ່ຫນ້າເຊື່ອຖືທີ່ສຸດ. ຍິ່ງໄປກວ່ານັ້ນ, ການອອກແບບທີ່ແຫນ້ນຫນາຂອງມັນເຫມາະສົມກັບການຕັ້ງຄ່າທີ່ແຫນ້ນຫນາ, ແລະມັນກໍ່ເຮັດວຽກໄດ້ຢ່າງສະດວກລະຫວ່າງ -20 ° C ແລະ + No-No-No Yewly ຫຼື Way.
ທີ່ Raydafon, ພວກເຮົາເຮັດໃຫ້ Couplings ເຫຼົ່ານີ້ຢູ່ຈີນ, ແລະພວກເຮົາຕິດຢູ່ກັບມາດຕະຖານ ISO 9001 ຢ່າງເຄັ່ງຄັດ - ທຸກໆພາກສ່ວນໄດ້ຮັບການກວດກາເພື່ອໃຫ້ແນ່ໃຈວ່າມັນທົນທານແລະພ້ອມທີ່ຈະຢູ່. ເສອແຂນ Nylon ບໍ່ແມ່ນພຽງແຕ່ແຂງແຮງ, ມັນບໍ່ແມ່ນການທີ່ບໍ່ແມ່ນການປະພຶດແລະທົນທານຕໍ່ການກັດກ່ອນ. ນັ້ນແມ່ນການປ່ຽນແປງເກມສໍາລັບສະຖານທີ່ທີ່ມີຄວາມຊຸ່ມຫຼືບໍລິເວນທີ່ມີສານເຄມີ, ບ່ອນທີ່ຄູ່ຮ່ວມມືອື່ນໆອາດຈະ rust ຫຼືສັ້ນ - ຄົນນີ້ເຮັດໃຫ້ຍາວກວ່າ. ແລະໂຄງສ້າງທີ່ລຽບງ່າຍຂອງມັນເຮັດໃຫ້ການຊຸມນຸມແລະຖີ້ມສາຍລົມທີ່ບໍ່ມີສາຍໂສ້: ບໍ່ມີເຄື່ອງມືທີ່ສັບສົນ, ພຽງແຕ່ເຮັດວຽກຢ່າງໄວວາເມື່ອທ່ານຕ້ອງການແລກປ່ຽນຫຼືເຮັດການບໍາລຸງຮັກສາ. ນັ້ນແມ່ນເຫດຜົນທີ່ວ່າມັນເປັນການເລືອກເອົາດ້ານເທິງຂອງ Custom Gear-couplings - ແລະມັນແມ່ນຫນຶ່ງໃນ couplings ເກຍທີ່ມີຄວາມຍືດຫຍຸ່ນທີ່ທົນທານຂອງທ່ານ, ຖືເຖິງການເຄື່ອນໄຫວທີ່ບໍ່ມີປະສິດຕິພາບຫຼືການຫມູນວຽນ.
ພວກເຮົາສະເຫນີຂະຫນາດແລະການຕັ້ງຄ່າຫລາຍປະເພດ, ສະນັ້ນທ່ານຈະໄດ້ຮັບຄວາມສໍາພັນທີ່ເຫມາະສົມກັບເຄື່ອງຈັກຂອງທ່ານ - ບໍ່ມີຕົວເລືອກດຽວທີ່ບໍ່ມີຂະຫນາດດຽວ. ແລະພວກເຮົາຮັກສາການແຂ່ງຂັນລາຄາ, ສະນັ້ນທ່ານບໍ່ຈໍາເປັນຕ້ອງຈ່າຍຄ່າຄຸນນະພາບ. ສໍາລັບທຸລະກິດທົ່ວໂລກຫມາຍຄວາມວ່າຄວາມຫມາຍຫນ້ອຍກວ່າ (ເນື່ອງຈາກວ່າມັນງ່າຍຕໍ່ການຕິດຕັ້ງແລະຮັກສາ) ແລະສິ່ງທີ່ດີກວ່າອຸປະກອນທີ່ດີທີ່ສຸດ - ແນ່ນອນສິ່ງທີ່ທ່ານຕ້ອງການໃຫ້ການດໍາເນີນງານ.
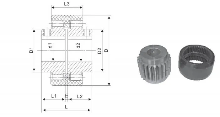
ເຫດຜົນທີ່ເຮັດວຽກຫຼັກຂອງລະບົບ NYLON GEAR A NYLON ແມ່ນຂື້ນກັບລະບົບເກຍທີ່ມີຄວາມຍືດຍຸ່ນ, ໃນຂະນະທີ່ສ່ວນປະກອບທີ່ມີຄວາມຍືດຫຍຸ່ນ, ເປັນບົດບາດສໍາຄັນໃນການດູດຊືມ. ໃນການອອກແບບໂຄງສ້າງນີ້, ສອງໃບທີ່ມີແຂ້ວພາຍນອກແມ່ນເຊື່ອມຕໍ່ຜ່ານລະບົບເກຍພາຍໃນຕິດກັນ. ການປະສົມປະສານນີ້ບໍ່ພຽງແຕ່ຮັບປະກັນການສົ່ງຕໍ່ໄຟຟ້າທີ່ມີປະສິດຕິພາບໃນລະບົບກົນຈັກແຕ່ຍັງຊ່ວຍຫຼຸດຜ່ອນຄວາມສັ່ນສະເທືອນແລະຜົນກະທົບທີ່ຜະລິດໃນລະຫວ່າງການດໍາເນີນງານ. ປະໂຫຍດການອອກແບບນີ້ແມ່ນເຫັນໄດ້ຊັດເຈນໂດຍສະເພາະໃນກໍລະນີການສະຫມັກຂອງ colelings ເກຍທີ່ມີຄວາມຍືດຫຍຸ່ນ nyl ທີ່ຕ້ອງໄດ້ຮັບການປັບຕົວເຂົ້າກັບອຸປະກອນຂະຫນາດນ້ອຍແລະກາງ.
ໃນເວລາທີ່ shaft ຂັບລົດສົ່ງຕໍ່ torque ກັບຫນຶ່ງຂອງສູນກາງ, ແຂ້ວພາຍນອກຈະ mesh ກັບ pear ເກຍພາຍໃນຂອງ sleeve ພາຍໃນຂອງ nylon ໄດ້ສົ່ງຜົນສະທ້ອນຢ່າງງ່າຍດາຍກັບ hub ອື່ນທີ່ເຊື່ອມຕໍ່ກັບ hub ອື່ນໆ. ເຖິງແມ່ນວ່າຢູ່ພາຍໃຕ້ສະພາບການເຮັດວຽກບ່ອນທີ່ມີການປະຕິບັດຕາມລະບົບ Shaft, ກົນໄກການສົ່ງຕໍ່ທີ່ມີຄວາມຫມັ້ນຄົງ. ເພາະສະນັ້ນ, ໃນທົ່ງນາທີ່ຕ້ອງການວິທີແກ້ໄຂການສໍາຫລວດເກຍທີ່ມີຄວາມຍືດຫຍຸ່ນທີ່ບໍ່ສາມາດປ່ຽນແປງໄດ້, ເຊັ່ນ: ການເຊື່ອມຕໍ່ພະລັງງານຂອງອຸປະກອນການຂັບຖ່າຍແລະເຄື່ອງມືທີ່ມີຄວາມຍືດຫຍຸ່ນຂອງ NL ແມ່ນຜະລິດຕະພັນທີ່ມີຄວາມຍືດຫຍຸ່ນ.
ອຸປະກອນການ nylon ທີ່ໃຊ້ໃນການສໍາຫຼວດ Nylon Gear Alylon ທີ່ມີຄວາມຍືດຫຍຸ່ນແລະບໍ່ພຽງແຕ່ສາມາດຫຼຸດຜ່ອນການສວມໃສ່ຂອງອຸປະກອນກົນຈັກທີ່ເຊື່ອມຕໍ່ກັບມັນແຕ່ຍັງຂະຫຍາຍຊີວິດການບໍລິການຂອງລະບົບສາຍສົ່ງທັງຫມົດ. ໃນຖານະເປັນຜູ້ຜະລິດທີ່ເປັນມືອາຊີບ, Raydafon ເລືອກເອກະສານທີ່ກ້າວຫນ້າແລະເພີ່ມປະສິດຕິຜົນໃນການຜະລິດ couplings NL ປະເພດ, ເຮັດໃຫ້ຜະລິດຕະພັນຮັກສາການປະຕິບັດງານທີ່ດີເລີດພາຍໃຕ້ອຸດສາຫະກໍາທີ່ແຕກຕ່າງກັນໃນອຸດສະຫະກໍາທີ່ແຕກຕ່າງກັນໃນອຸດສະເຕັກ. ຍົກຕົວຢ່າງ, ໃນສະຖານະການທີ່ຈັດການກັບການໂຫຼດຕົວແປ, Raylon Gear allon ທີ່ຜະລິດໂດຍການຊົດເຊີຍການຊົດເຊີຍທີ່ບໍ່ຖືກຕ້ອງທີ່ບໍ່ສາມາດຫຼີກລ່ຽງຄວາມລົ້ມເຫລວໃນການສົ່ງຕໍ່ໂດຍລະບົບການສົ່ງຕໍ່ແລະຫຼຸດຜ່ອນເວລາຫວ່າງ.
ເພື່ອຮັກສາການຮັກສາທີ່ມີປະສິດທິພາບໃນການເຮັດວຽກທີ່ມີຄວາມຍືດຍຸ່ນທີ່ຫມັ້ນຄົງ, ການຮັກສາປະຈໍາວັນແມ່ນຈໍາເປັນປະຈໍາວັນ, ໃນບັນດາສ່ວນປະກອບຂອງເຄື່ອງມືແຂ້ວເລ່ືອສແມ່ນ link. ການຫລໍ່ລື່ນທີ່ສົມເຫດສົມຜົນສາມາດຫຼຸດຜ່ອນການສູນເສຍຄວາມຂັດແຍ້ງໃນໄລຍະແຂ້ວເກຍ, ປັບປຸງຄວາມຫມັ້ນຄົງຂອງການດໍາເນີນງານແລະຫຼຸດຜ່ອນຄວາມເປັນໄປໄດ້ຂອງຄວາມລົ້ມເຫຼວ. ໂດຍທົ່ວໄປ, ຫຼັກການທີ່ເຮັດວຽກຂອງການຮ່ວມມືທີ່ມີຄວາມຍືດຫຍຸ່ນ nyl ແມ່ນເພື່ອບັນລຸລະບົບການສົ່ງຕໍ່ທີ່ເຂັ້ມແຂງໃນຂະນະທີ່ກໍາລັງພິຈາລະນາຄວາມຄ່ອງແຄ້ວແລະຄວາມຫມັ້ນຄົງຂອງກະເປົາທີ່ເຂັ້ມງວດແລະເສື້ອຍືດ Nylon ທີ່ມີຄວາມຍືດຫຍຸ່ນ. ໃນຖານະທີ່ເປັນຜູ້ສະຫນອງ Coupling ທີ່ມີປະສົບການ, Raydafon ຄວບຄຸມມາດຕະຖານຂອງຜະລິດຕະພັນທີ່ເຄັ່ງຄັດເພື່ອຮັບປະກັນໃຫ້ຜະລິດຕະພັນທີ່ມີຄວາມຍືດຫຍຸ່ນໃນການປັບປ່ຽນແປງແລະຄວາມທົນທານສູງ.
ການສໍາຫລວດເກຍທີ່ມີຄວາມຍືດຫຍຸ່ນ NLon ແມ່ນຖືກບັນຫາໂດຍສະເພາະສໍາລັບການນໍາໃຊ້ທີ່ມີປະສິດຕິພາບສູງໃນສະຖານະການກົນຈັກ. ມັນຮັບປະກັນລະບົບສາຍໄຟທີ່ມີຄວາມຫມັ້ນຄົງໃນຂະນະທີ່ຮອງຮັບຂີ້ເຫຍື່ອທີ່ບໍ່ເຫມາະສົມ, ເຮັດໃຫ້ມັນເປັນທາງເລືອກທີ່ມີການແຂ່ງຂັນສູງໃນຫມວດເສື້ອກັນຫນາວ Nylon Couplings. ຈຸດເດັ່ນຂອງການອອກແບບທີ່ສໍາຄັນຂອງຄວາມສໍາເລັດຂອງການຮັກສານີ້ແມ່ນຢູ່ໃນແຂນດົນຕີ nylon ທີ່ມີຄວາມເຂັ້ມແຂງ, ເຊິ່ງບໍ່ພຽງແຕ່ຊ່ວຍເພີ່ມຄວາມຫມັ້ນຄົງຂອງໂຄງສ້າງທີ່ມີຄວາມທົນທານໂດຍລວມ. ສິ່ງນີ້ເຮັດໃຫ້ມັນເຫມາະສົມໂດຍສະເພາະສ່ວນປະກອບຂອງເກຍ nylon ທີ່ມີຄວາມຍືດຫຍຸ່ນໃນອຸປະກອນອຸດສາຫະກໍາທີ່ດໍາເນີນງານເປັນໄລຍະເວລາທີ່ຂະຫຍາຍ.
ໃນແງ່ຂອງຄວາມສາມາດໃນການສົ່ງຕໍ່ແຮງບິດ, NL ປະເພດທີ່ມີຄວາມຍືດຫຍຸ່ນ nyl ໄດ້ສົ່ງຜົນງານທີ່ໂດດເດັ່ນໃຫ້ກັບຄວາມຕ້ອງການດ້ານການໂຫຼດທີ່ມີແຮງບິດ. ບໍ່ວ່າຈະເປັນເຄື່ອງມືເຄື່ອງຈັກທີ່ມີຫນ້າທີ່, ເຄື່ອງຈັກຂຸດຄົ້ນບໍ່ແຮ່, ຫຼືເຄື່ອງມືລໍາລຽງຂະຫນາດໃຫຍ່; ເມື່ອແກ້ໄຂບັນຫາທໍາມະດາຂອງ Shaft Misalignment ໃນລະຫວ່າງການປະຕິບັດງານກົນຈັກ, ການສໍາຫຼວດເກຍລະບົບ Nylon ທີ່ມີຄວາມຍືດຫຍຸ່ນນີ້ສະແດງໃຫ້ເຫັນຄວາມສາມາດທີ່ດີເລີດ. ມັນສາມາດດູດຊືມແລະຊົດເຊີຍການເຮັດຜິດແບບເປັນລ່ຽມ, ຂະຫນານ misalignment, ເຮັດໃຫ້ຄວາມກົດດັນເພີ່ມເຕີມ, ຊ່ວຍໃຫ້ມີການຕໍ່ຕ້ານຊີວິດການບໍລິການຂອງລະບົບການສົ່ງຕໍ່. ຄຸນລັກສະນະນີ້ແມ່ນມີຄວາມສໍາຄັນໂດຍສະເພາະສໍາລັບອຸປະກອນການຜະລິດທີ່ຕ້ອງການການດໍາເນີນງານຕໍ່ເນື່ອງໄລຍະຍາວ.
ຍິ່ງໄປກວ່ານັ້ນ, ວັດສະດຸ nylon ຂອງເກຍ nl ປະເພດ NYLON ທີ່ມີຄວາມຍືດຫຍຸ່ນທີ່ມີການດູດຊືມຊ shock ອກທີ່ດີເລີດແລະມີຄຸນສົມບັດປ້ອງກັນ. ໃນລະຫວ່າງການປະຕິບັດງານຂອງອຸປະກອນ, ມັນສາມາດຫຼຸດຜ່ອນຜົນກະທົບຂອງການສັ່ນສະເທືອນແລະອາການຊ shock ອກ, ຮັບປະກັນຄວາມສະດວກໃນການປະຕິບັດງານຂອງລະບົບສາຍສົ່ງ. ດ້ວຍເຫດນີ້, ໃນສະພາບການເຮັດວຽກແບບເຄື່ອນໄຫວທີ່ມີການສັ່ນສະເທືອນເລື້ອຍໆ, ມັນໄດ້ກາຍເປັນການແກ້ໄຂ Clough Gear ທີ່ມັກດູດຊຶມທີ່ມັກສໍາລັບນັກກາໂຮງຮຽນ Nylon Gear. ໃນແງ່ຂອງການຕໍ່ຕ້ານການກັດກ່ອນ, ນອກເຫນືອໄປຈາກຄວາມຕ້ານທານດ້ານສານເຄມີທີ່ດີເລີດຂອງ NYLON, ສ່ວນປະກອບໂລຫະຂອງການປະຕິບັດງານພິເສດ, ເຮັດໃຫ້ມີການດໍາເນີນງານທີ່ຫມັ້ນຄົງ, ມີຂີ້ຝຸ່ນ, ຫຼືເປັນສິ່ງແວດລ້ອມທີ່ມີຄວາມອ່ອນໂຍນເລັກນ້ອຍ. ເມື່ອປຽບທຽບກັບ couplive ແບບດັ້ງເດີມ, ມັນສະແດງການປັບຕົວທີ່ແຂງແຮງໃນສະພາບການເຮັດວຽກທີ່ຮຸນແຮງ, ໃຫ້ປະຕິບັດຂໍ້ກໍານົດຂອງຂະແຫນງການອຸດສາຫະກໍາທີ່ເຂັ້ມງວດສໍາລັບການຮັກສາລະບົບລະດັບອຸດສາຫະກໍາ.
ຈາກທັດສະນະຂອງການປະຕິບັດງານແລະການບໍາລຸງຮັກສາ, ການຮ່ວມມືຂອງເກຍ nl ປະເພດ NYLON ຮັບຮອງເອົາການອອກແບບທີ່ບໍ່ມີການບໍາລຸງຮັກສາ. ມັນໄດ້ລົບລ້າງຄວາມຕ້ອງການເພີ່ມເຕີມສໍາລັບການເພີ່ມເຕີມຫຼືການປັບຕົວທີ່ບໍ່ພຽງແຕ່ຫຼຸດຜ່ອນວຽກງານການຮັກສາປະຈໍາວັນເທົ່ານັ້ນແຕ່ຍັງເຮັດໃຫ້ຄວາມສ່ຽງຂອງອຸປະກອນລົ້ມເຫລວທີ່ເກີດຈາກການບໍາລຸງຮັກສາອຸປະກອນທີ່ເກີດຈາກການບໍາລຸງຮັກສາອຸປະກອນທີ່ເກີດຈາກການບໍາລຸງຮັກສາອຸປະກອນທີ່ເກີດຈາກການບໍາລຸງຮັກສາອຸປະກອນທີ່ເກີດຈາກການບໍາລຸງຮັກສາອຸປະກອນ ສິ່ງນີ້ຄວບຄຸມຄ່າໃຊ້ຈ່າຍໃນການດໍາເນີນງານແລະເວລາທີ່ດີ, ສອດຄ່ອງກັບມາດຖານການເລືອກຂອງອຸດສາຫະກໍາທີ່ຕິດຕາມການຜະລິດເກຍທີ່ມີປະສິດທິພາບແລະຕໍ່າສໍາລັບການຮັກສາເສື້ອຄຸມທີ່ມີຄວາມຍືດຫຍຸ່ນຕໍ່າ. ໃນຂະນະດຽວກັນ, ໂຄງສ້າງໂດຍລວມຂອງມັນແມ່ນມີນ້ໍາຫນັກເບົາແລະກະທັດຮັດ, ອໍານວຍຄວາມສະດວກ, ອໍານວຍຄວາມສະດວກໃຫ້ແກ່ການຕິດຕັ້ງງ່າຍໆແລະລວດໄວແລະລວດໄວ. ເຖິງແມ່ນວ່າໃນອຸປະກອນທີ່ມີພື້ນທີ່ຈໍາກັດ, ການປະກອບຂອງຄູ່ຮ່ວມມືຂອງເກຍ nylon ນີ້ສາມາດສໍາເລັດໄດ້ງ່າຍ, ປັບປຸງປະສິດທິພາບຂອງການຕິດຕັ້ງແລະບໍາລຸງຮັກສາປະສິດທິພາບ.
ສະຫລຸບລວມແລ້ວ, ການປະສົມປະເພດ NYLON GEAR COUPLING ທີ່ມີຄວາມຍືດຫຍຸ່ນໃນລະບົບໃຫ້ສະຫນັບສະຫນູນການດໍາເນີນງານທີ່ຫມັ້ນຄົງແລະມີປະສິດທິພາບສໍາລັບອຸປະກອນ. ໂດຍສະເພາະໃນພາກສະຫນາມເກຍການຜະລິດທີ່ມີຄວາມຫມາຍ, ພ້ອມດ້ວຍການລະບົບສາຍແຂນທີ່ມີຄວາມຈໍາເປັນສູງ
ການສໍາຫລວດລະບົບ NL NLLY GEART A NYLON ເຮັດວຽກເປັນສ່ວນທີ່ສົ່ງຕໍ່ໄປສໍາລັບການຖ່າຍຮູບກົນຈັກທີ່ຕ້ອງການໂອນຍ້າຍພະລັງງານທຸກປະເພດ. ສິ່ງທີ່ເຮັດໃຫ້ມັນໂດດເດັ່ນແມ່ນແຂນເສື້ອ nylon - ມັນແມ່ນສິ່ງທີ່ຖືກຕ້ອງທີ່ຈະເຮັດໃຫ້ການສັ່ນສະເທືອນຂອງລູກຊາຍ, ສະນັ້ນມັນຕ້ອງການການເຄື່ອນໄຫວຂອງເກຍຂະຫນາດນ້ອຍ.
ຍົກຕົວຢ່າງໃຊ້ເຄື່ອງຈັກອຸດສາຫະກໍາ, ຍົກຕົວຢ່າງ. ຄູ່ນີ້ແມ່ນດີເລີດສໍາລັບການເບິ່ງແຍງມໍເຕີໃຫ້ຈັກສູບນ້ໍາຫລືເຄື່ອງອັດ. ໃນເວລາທີ່ເຄື່ອງຈັກເຫຼົ່ານັ້ນແລ່ນ, ພວກມັນມັກຈະສົ່ງໃບຊ shock ອກຢ່າງກະທັນຫັນຜ່ານລະບົບ, ແຕ່ວ່າການຮັກສາລະບົບ NYLON GEAR NYLON ທີ່ມີຄວາມຍືດຍຸ່ນ, ຊ່ວຍໃຫ້ການຕິດຕັ້ງທັງຫມົດມີຕໍ່ໄປອີກແລ້ວ. ແລະໃນເສັ້ນລໍາລຽງທີ່ທ່ານຮູ້, ຜູ້ທີ່ຍ້າຍວັດສະດຸທີ່ບໍ່ມີວັດສະດຸໃນໂຮງງານຜະລິດລູກຊາຍ Nylon ບໍ່ຄືກັບຄູທີ່ເຂັ້ມງວດທີ່ແຕກແຍກເລື້ອຍໆ, ສິ່ງນີ້ຈະຕັດລົງໃນເວລາຫວ່າງແລະເງິນທີ່ທ່ານໃຊ້ເວລາແກ້ໄຂສິ່ງຕ່າງໆ.
ໂລກການຂົນສົ່ງແລະການຂົນສົ່ງໂລກໃຊ້ມັນຄືກັນ, ໂດຍສະເພາະແມ່ນສໍາລັບຂັບລົດ shafts ແລະສ່ວນທີ່ຊີ້ນໍາ. ລົດໃຫຍ່ແລະລົດບັນທຸກຕ້ອງໄດ້ຈັດການກັບການສັ່ນສະເທືອນທີ່ບິດຫລາຍເມື່ອພວກເຂົາຍ້າຍໄປ, ແຕ່ຄູ່ຮ່ວມມືກັບເກຍທີ່ຍືດຫຍຸ່ນນີ້ສໍາລັບຂັບລົດຍົນໄດ້ແຊ່ນ້ໍາປະກັນໄພລົດ. ວ່າບໍ່ພຽງແຕ່ເຮັດໃຫ້ພາຫະນະແລ່ນດີຂື້ນແຕ່ຍັງປອດໄພກວ່າ - ບໍ່ແປກທີ່ຈະສັ່ນສະເທືອນການຊີ້ນໍາຫຼືໃສ່ລົດໄຟຂັບ.
ໃນເວລາທີ່ມັນກ່ຽວກັບການນໍາໃຊ້ທີ່ມີຄວາມແມ່ນຍໍາ, ຄືກັບເຄື່ອງຈັກຊີເອັນຊີ, ຫຸ່ນຍົນອຸດສາຫະກໍາ, ການທີ່ຈັບຄູ່ນີ້ກໍ່ສ່ອງ. ເຄື່ອງເຫຼົ່ານັ້ນ spin ໄວໄວແລະຕ້ອງການການເຄື່ອນໄຫວທີ່ຖືກຕ້ອງທີ່ສຸດ, ແຕ່ແມ່ນແຕ່ shaft misiligments (ຄ້າຍຄືກັບມຸມຫຼືປ່ຽນຮູບຂະຫນານ) ສາມາດເຮັດໃຫ້ສິ່ງຂອງຂະຫນານ). ເສື້ອກັນຫນາວ NL ປະເພດ NYLON ທີ່ມີຄວາມຍືດຫຍຸ່ນໃນການແກ້ໄຂບັນຫາເຫລົ່ານັ້ນໃນຂະນະທີ່ຮັກສາຄວາມໄວສູງ. ນັ້ນແມ່ນເຫດຜົນທີ່ວ່າບໍລິສັດຈໍານວນຫຼາຍມີບໍລິສັດສ້າງສາຍປະຊຸມອັດຕະໂນມັດຊອກຫາຄູ່ຮ່ວມງານເກຍ nylon ສໍາລັບອຸປະກອນ CNC ທີ່ມີຄວາມເປັນຍໍາເມື່ອພວກເຂົາຕ້ອງການການຕັ້ງຄ່າຕາມທີ່ເຫມາະສົມ.
ທ່ານຍັງຈະພົບເຫັນມັນຢູ່ໃນລະບົບ hvac ແລະໂຮງງານບໍາບັດນ້ໍາ. ສະຖານທີ່ເຫລົ່ານັ້ນໃຊ້ແຟນບານແລະເປົ່າລົມຫຼາຍ, ແລະຖ້າຊິ້ນສ່ວນເຫລົ່ານັ້ນສັ່ນສະເທືອນຫລາຍ, ພວກມັນກໍ່ຈະດັງແລະແຕກ. ການເລືອກເອົາຜູ້ຍິງທີ່ມີຄວາມຍືດຫຍຸ່ນໃນການສັ່ນສະເທືອນນີ້ເຮັດໃຫ້ມີສຽງດັງຂື້ນແລະອຸປະກອນທີ່ແລ່ນຢູ່ສະຫມໍ່າສະເຫມີ - ບໍ່ມີບ່ອນຈອດລົດທີ່ບໍ່ຄາດຄິດໃນຄວາມຮ້ອນ / ຄວາມເຢັນຫຼືການບໍາບັດນ້ໍາ.
ເວົ້າລວມແລ້ວ, ເຄື່ອງມືປະເພດ NYLON GEAR Coupling ແມ່ນການເລືອກເອົາງົບປະມານສໍາລັບອຸດສາຫະກໍາເກືອບທຸກຢ່າງ. ມັນຍາກ, ງ່າຍຕໍ່ການຕິດຕັ້ງ, ແລະເຮັດວຽກໃຫ້ສໍາເລັດ. ຖ້າທ່ານກໍາລັງຊອກຫາຜູ້ສະຫນອງ Coining Coelied ທີ່ຫນ້າເຊື່ອຖື, ສາມາດຕິດທ່ານດ້ວຍຕົວເລືອກທີ່ແນ່ນອນທີ່ທ່ານຕ້ອງການທີ່ດີທີ່ສຸດແລະເປັນສ່ວນທີ່ຍາວທີ່ສຸດ.
co ກົນຈັກວິສະວະກອນກົນຈັກ Wang, ວິສະວະກອນກົນຈັກ, Guangzhou Co. , Ltd.
ພວກເຮົາໄດ້ມີການສໍາຫລວດ NYLON GEART NASLON COUPLING ຢູ່ໃນສາຍປະກອບຂອງພວກເຮົາເປັນເວລາຫນຶ່ງດຽວນີ້, ແລະມັນເປັນຜູ້ສະແດງທີ່ຫມັ້ນຄົງທີ່ພວກເຮົາໄດ້ພະຍາຍາມ. ການອອກແບບ Gear Nylon ແມ່ນຜູ້ທີ່ໂດດເດັ່ນຢູ່ທີ່ນີ້: ມັນຍ້າຍແຮງພັດທະນາຢ່າງສະດວກ, ແລະມັນກໍ່ຈະບອກຄວາມແຕກຕ່າງຫຼາຍຢ່າງທີ່ທ່ານສາມາດບອກຄວາມແຕກຕ່າງໃນວິທີທີ່ເຄື່ອງຈັກ.
ການຕິດຕັ້ງແມ່ນສາຍລົມທັງຫມົດ, ເຊັ່ນກັນ. ພວກເຮົາບໍ່ມີພື້ນທີ່ພິເສດໃນອຸປະກອນຂອງພວກເຮົາ, ແຕ່ວ່າຄູ່ນີ້ເຫມາະສົມກັບທີ່ເຫມາະສົມກັບກ່ອງທີ່ບໍ່ມີທີ່ຈໍາເປັນຕ້ອງດັດແປງຫຍັງເລີຍ. ມັນໄດ້ແລ່ນທີ່ບໍ່ຢຸດ, ແລະມັນບໍ່ມີສັນຍານໃດໆຂອງການນຸ່ງເສື້ອ; ຄວາມທົນທານນັ້ນຫມາຍຄວາມວ່າພວກເຮົາບໍ່ໄດ້ຢຸດການຜະລິດເພື່ອແກ້ໄຂຫຼືທົດແທນມັນເລື້ອຍໆ. ທັງຫມົດ, ມັນເປັນການທີ່ແຂງແກ່ນ, ມີລາຄາຖືກທີ່ເຮັດໃນສິ່ງທີ່ພວກເຮົາຕ້ອງການ.
⭐⭐⭐⭐⭐ John Smith, ຜູ້ຈັດການພືດ, ການແກ້ໄຂບັນຫາອຸດສາຫະກໍາ Chicago, USA
ພວກເຮົາໄດ້ປ່ຽນການເລືອກເອົາໂລຫະເກົ່າຂອງພວກເຮົາສໍາລັບ Gear allon ຂອງ NLon Nylon ທີ່ຢູ່ໃນສະຖານທີ່ chicago ຂອງພວກເຮົາ, ແລະມື້ກາງຄືນແລະມື້ທີສອງຂອງພວກເຮົາໄດ້ຍິງແຕ່ລະຄົນ. ຄວາມສັ່ນສະເທືອນທີ່ເຄີຍໃຊ້ໃນພາກສ່ວນທີ່ວ່າງບໍ່? ຫມົດ. ສຽງດັງຈາກການຮັກສາເກົ່າບໍ? ອອກຈາກພື້ນເຮືອນຫຼາຍສະບັບຮູ້ສຶກສະຫງົບລົງ. ແລະໂອນພະລັງງານ? ກ້ຽງວ່າສາມາດເປັນໄປໄດ້, ເຖິງແມ່ນວ່າໃນເວລາທີ່ພວກເຮົາກໍາລັງແລ່ນຫນັກ.
ມີຫຍັງອີກ, ມັນຈັດການກັບວິທີການທີ່ບໍ່ຖືກຕ້ອງກ່ວາໂລຫະທີ່ບໍ່ເຄີຍເຮັດ - ບໍ່ມີການປັບແຕ່ງມັນອີກຕໍ່ໄປທຸກໆອາທິດເພື່ອຮັກສາສິ່ງຕ່າງໆໃຫ້ຕິດຕາມ. Raydafon ໄດ້ຮັບມັນກັບພວກເຮົາໄວ, ເຊັ່ນດຽວກັນ; ການຈັດສົ່ງແມ່ນຖືກຕ້ອງໃນຕາຕະລາງເວລາ, ແລະຄຸນນະພາບຂອງ Notch-n'tch-n'tages ທີ່ມີລາຄາຖືກຫຼືວຽກທີ່ຫນ້າສົນໃຈ. ຂ້າພະເຈົ້າໄດ້ບອກຜູ້ຈັດການໂຮງງານທັງສອງໂຮງງານແລ້ວ; ນີ້ແມ່ນປະເພດຂອງສິນຄ້າທີ່ທ່ານຕ້ອງການທີ່ຈະຜ່ານຄໍາກ່ຽວກັບປະມານ.
⭐⭐⭐⭐⭐ Anna MüllerMüller, ຜູ້ຄວບຄຸມບໍາລຸງຮັກສາ, ວິສະວະກໍາ Munich, ເຢຍລະມັນ
ພວກເຮົາເອົາຄວາມສໍາພັນຂອງ Raydafon ຂອງ Raydafon ໃນເຄື່ອງຈັກທີ່ມີຄວາມໄວສູງຂອງພວກເຮົາສອງສາມເດືອນກັບມາ, ແລະມັນກໍ່ເປັນການປ່ຽນແປງເກມສໍາລັບທີມງານຂອງພວກເຮົາ. ອຸປະກອນການເກືອດຫ້າມ NYLON ແມ່ນການໂທທີ່ສະຫຼາດ - ມັນບໍ່ໄດ້ຖືກໃສ່ໄວເທົ່າທີ່ຈະໄວເທົ່າທີ່ພວກເຮົາຈະບໍ່ປ່ຽນຊິ້ນສ່ວນຕ່າງໆເລື້ອຍໆ, ແລະມັນຈະງຽບສະຫງົບ. ນັ້ນອາດຟັງຄືວ່ານ້ອຍ, ແຕ່ຮ້ານທີ່ງຽບສະຫງັດຫມາຍເຖິງຄວາມອ່ອນເພຍຫນ້ອຍສໍາລັບທີມ, ແລະສິ່ງລົບກວນທີ່ພວກເຮົາກໍາລັງກວດສອບອຸປະກອນ.
ມັນມີຄວາມຍືດຫຍຸ່ນພໍສົມຄວນທີ່ຈະຈັດການກັບການປ່ຽນແປງເລັກນ້ອຍທີ່ມາພ້ອມກັບຄວາມໄວສູງ, ແຕ່ຍັງແຂງແຮງພໍທີ່ຈະຍຶດຫມັ້ນໃນຄວາມກົດດັນຫຼືແຕກ. ການຕິດຕັ້ງແມ່ນງ່າຍດາຍເຊັ່ນກັນ; ເຕັກໂນໂລຢີຂອງພວກເຮົາໄດ້ສ້າງຕັ້ງຂຶ້ນໃນຫນຶ່ງຊົ່ວໂມງ, ບໍ່ມີຄໍາແນະນໍາທີ່ສັບສົນ. ພວກເຮົາມີວິທີການຢຸດເຊົາການນໍາໃຊ້ເຄື່ອງຫນ້ອຍນັບຕັ້ງແຕ່ພວກເຮົາໄດ້ຕິດຕັ້ງມັນ, ແລະທຸກຢ່າງກໍ່ແລ່ນກ້ຽງ. Raydafon's Proven ພວກເຂົາເປັນຜູ້ສະຫນອງທີ່ພວກເຮົາສາມາດນັບໄດ້ບໍ່ແປກທີ່ບໍ່ແປກ, ຜະລິດຕະພັນທີ່ດີ.
⭐⭐⭐⭐⭐ Carlos Martínez, ຜູ້ອໍານວຍການດໍາເນີນງານ, ການຜະລິດ Madrid Corp Corp.
Raydafon ເກຍປະເພດ NYLON GEAR COUPLING COUPLING ແມ່ນຜະລິດຕະພັນທີ່ມີຄຸນນະພາບສູງທີ່ພວກເຮົາກໍາລັງຊອກຫາ. ພວກເຮົາໄດ້ເພີ່ມມັນເຂົ້າໃນສາຍການຜະລິດຂອງພວກເຮົາຫວັງວ່າຈະໄດ້ຮັບການສັ່ນສະເທືອນໃນການສັ່ນສະເທືອນແລະປະສິດທິພາບຂອງການເພີ່ມຂື້ນແລະມັນໄດ້ສົ່ງທັງສອງນັບ, ບໍ່ມີຄໍາຖາມໃດໆ. ເຄື່ອງມື Nylon ເຮັດໃຫ້ມັນມີພຽງແຕ່ຈໍານວນທີ່ເຫມາະສົມຂອງຄວາມຍືດຫຍຸ່ນໃນການເຮັດໃຫ້ສິ່ງທີ່ກໍາລັງແລ່ນລຽບ, ແຕ່ເມື່ອພວກເຮົາຍູ້ສາຍເພື່ອຕອບສະຫນອງເສັ້ນທາງທີ່ໃກ້ຊິດ.
ມັນຫນາແຫນ້ນ, ເຊັ່ນດຽວກັນ, ເຊິ່ງແມ່ນສິ່ງທີ່ໃຫຍ່ຫຼວງສໍາລັບການຕັ້ງຄ່າຂອງພວກເຮົາ; ພວກເຮົາບໍ່ມີພື້ນທີ່ພິເສດຫຼາຍ, ແລະຄູ່ນີ້ເຫມາະສົມໃນໂດຍບໍ່ມີສ່ວນອື່ນໆ. ພວກເຮົາໄດ້ໃຊ້ມັນເປັນເວລາຫລາຍເດືອນແລ້ວ, ແລະຍັງບໍ່ທັນມີບັນຫາຫຍັງເລີຍ, ບໍ່ມີການແຕກແຍກ, ບໍ່ມີສຽງແປກຫຍັງ, ມີການປະຕິບັດທີ່ບໍ່ມີປະສິດຕິພາບ. ລະຫວ່າງຜະລິດຕະພັນເອງແລະການບໍລິການທີ່ດີທີ່ພວກເຮົາໄດ້ຮັບຈາກ Raydafon, ພວກເຮົາມີຄວາມເພິ່ງພໍໃຈຫລາຍກວ່າ. ຜູ້ນີ້ເປັນຜູ້ຮັກສາ.
ທີ່ຢູ່
ເຂດອຸດສາຫະກໍາ Luotuo, ເມືອງ Zhenhai, Ningbo City, ປະເທດຈີນ
ອີເມລ


+86-574-87168065


ເຂດອຸດສາຫະກໍາ Luotuo, ເມືອງ Zhenhai, Ningbo City, ປະເທດຈີນ
ສະຫງວນລິຂະສິດ© Baydafon GroupSholy Groups.
Links | Sitemap | RSS | XML | ນະໂຍບາຍຄວາມເປັນສ່ວນຕົວ |
