ລະຫັດ QR
ກ່ຽວກັບພວກເຮົາ
ຜະລິດຕະພັນ
ຕິດຕໍ່ພວກເຮົາ


ແຟັກ
+86-574-87168065

ອີເມລ

ທີ່ຢູ່
ເຂດອຸດສາຫະກໍາ Luotuo, ເມືອງ Zhenhai, Ningbo City, ປະເທດຈີນ
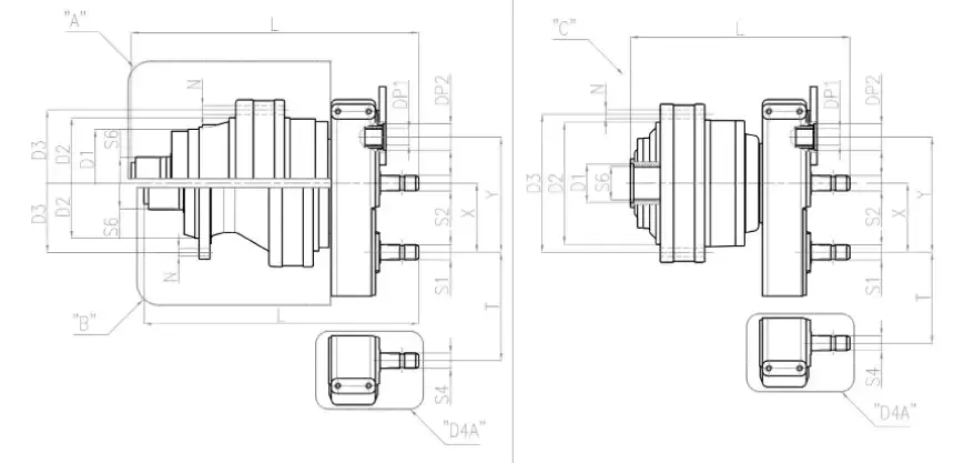
| ແບບ | PG-702 | PG-1002 | PG-1602 | PG-1802 | PG-2502 | PG-3002 | PG-3503 | |||
| ອັດຕາສ່ວນ I | 18.2 | 18.3 | 13.4-33.6 | 15.7-29.9 | 14.6-20-36.2 | 45.3 | 53.7 | |||
| ປະເພດຜົນຜະລິດ | B | B | B | C | B | C | A | C | C | C |
| D1 |
|
|
|
88hb |
|
88hb | 245f7 | 102h7 | 102h7 | 122hf |
| d2 | 200f7 | 230F7 | 230F7 | 278F7 | 230F | 278F7 | 340f7 | 340f7 | 340f7 | 340f7 |
| d3 | 250 | 295 | 295 | 314 | 295 | 314 | 370 | 370 | 370 | 370 |
| N | ∅15× N ° 12 | ∅17× N ° 10 | ∅17× N ° 10 | ∅15× N ° 18 | ∅17× N ° 10 | ∅15× N ° 18 | ∅17× N ° 15 | ∅17× N ° 15 | ∅17× N ° 15 | ∅17× N ° 15 |
| L | 646.5 | 627.5 | 693 | 490.5 | 714 | 499.5 | 798.5 | 595.5 | 601 | 680.5 |
| S6 | 70 * 64 DIN5482 | 80 * 74 DIN5482 | 100 * 94 DIN5482 | 80 * 74 DIN5482 | 100 * 94 DIN5482 | 80 * 74 DIN5482 | 100 * 94 DIN5482 | 100 * 94 DIN5482 | 100 * 94 DIN5482 | 120 * 22 * 5 DIN5482 |
| S1 | 1 "3/8 z6 | 1 "3/8 z6 | 1 "3/8 z6 | 1 "3/8 z6 | 1 "3/8 z6 | 1 "3/8 z6 | 1 "3/8 z6 | 1 "3/8 z6 | 1 "3/8 z6 | 1 "3/8 z6 |
| S2 | 1 "3/8 z6 | 1 "3/8 z6 | 1 "3/8 z6 | 1 "3/8 z6 | 1 "3/8 z6 | 1 "3/8 z6 | 1 "3/8 z6 |
|
|
|
| DP1 | 40 * 36 DIN5482 | 40 * 36 DIN5482 | 40 * 36 DIN5482 | 40 * 36 DIN5482 | 40 * 36 DIN5482 | 40 * 36 DIN5482 | 40 * 36 DIN5482 | 40 * 36 DIN5482 | 40 * 36 DIN5482 | 40 * 36 DIN5482 |
| DP2 | 60.3hb | 60.3hb | 60.3hb | 60.3hb | 60.3hb | 60.3hb | 60.3hb | 60.3hb | 60.3hb | 60.3hb |
| X | 157 | 157 | 157 | 157 | 157 | 157 | 157 | 157 | 157 | 157 |
| Y | 262 | 262 | 262 | 262 | 262 | 262 | 262 | 262 | 262 | 262 |
| S4 |
|
|
|
1 "3/8 z6 |
|
1 "3/8 z6 |
|
1 "3/8 z6 | 1 "3/8 z6 | 1 "3/8 z6 |
| T |
|
|
|
156.8 |
|
156.8 |
|
156.8 | 156.8 | 156.8 |
| ແບບ | ອັດຕາສ່ວນ I | D1 | d2 | d3 | D4 | N | E |
| PG-1602 | 22.14-33.6 | 80 * 74 DIN5482 | 225 F7 | 278 F7 | 314 | ∅15× N ° 18 | SAE B / SAE c |
| PG-2502 | 20-36.2 | 100 * 94 DIN5482 | 245 F7 | 340f7 | 370 | ∅17× N ° 15 | SAE B / SAE c |
| ແບບ | ອັດຕາສ່ວນ I | D1 | d2 | d3 | N | E |
| PG-161 | 3.55-2.49-5.60 | 40 * 36 DIN5482 | 110 F7 | 165 | ∅10,5× N ° 8 | Sae A / SAE B / SAE BB / omts |
| PG-251 | 4.13-5.17-6.00 | 58 * 53 DIN5482 | 150 F7 | 195 | ∅13× N ° 10 | Sae A / SAE B / SAE BB / omts |
| PG-501 | 4.13-5.17-6.00 | 58 * 53 DIN5482 | 150 F7 | 195 | ∅13× N ° 10 | Sae A / SAE B / SAE BB / omts |
ການພັດທະນາຂອງPG ຊຸດອາຫານ gear shox ກ່ອງ Gearzeລໍາຕົ້ນຈາກຄວາມເຂົ້າໃຈເລິກເຂົ້າໄປໃນຈຸດເຈັບປວດຂອງລະບົບສາຍສົ່ງຂອງອຸປະກອນປະສົມປະເພນີ. ສະຖາປັດຕະຍະກໍາປືນດາວສາມຫນ່ວຍຂອງມັນບໍ່ແມ່ນການວາງແຜນທີ່ລຽບງ່າຍຂອງສ່ວນປະກອບຄວາມກົດດັນ. ຍົກຕົວຢ່າງ, ໃນເວລາທີ່ປະສົມສາລີແລະການປະສົມອາຫານຖົ່ວເຫລືອງ, ການອອກແບບແຂ້ວທີ່ເປັນເອກະລັກຂອງມັນສາມາດຫຼຸດຜ່ອນຄວາມສ່ຽງຂອງການຕິດວັດ Material ໂດຍ 15%. ດ້ວຍຂະບວນການປັ້ນທີ່ມີຄວາມແມ່ນຍໍາສູງ, ຄວາມຫຍາບຄາຍດ້ານແຂ້ວແມ່ນຄວບຄຸມຢູ່ດ້ານລຸ່ມ ra0.8, ເຊິ່ງຊ່ວຍເພີ່ມປະສິດທິພາບໃນການສົ່ງຕໍ່ໂດຍ 8% -10% ທຽບໃສ່ກັບກ່ອງເກຍພື້ນເມືອງ. ຂໍ້ມູນທີ່ໄດ້ຮັບການວັດແທກຂອງໂຮງງານອາຫານສະແດງໃຫ້ເຫັນວ່າໃນ 12 ຊົ່ວໂມງຂອງການບໍລິໂພກພະລັງງານຂອງ Shaft
ສໍາລັບອະນຸພາກທີ່ຍາກເຊັ່ນ: ດິນຊາຍ, ຫີນ, ແລະສິ່ງເສດເຫຼືອຂອງໂລຫະທີ່ມັກຈະປະສົມໃນວັດຖຸດິບອາຫານ, ເຄື່ອງຫຼີ້ນເກຍໄຟຟ້ານີ້ຖືກເປົ້າຫມາຍໃນແງ່ຂອງວັດສະດຸແລະຂັ້ນຕອນ. ຮ່າງກາຍເກຍແມ່ນເຮັດດ້ວຍເຫຼັກໂລຫະປະສົມ 20crmnti. ຫຼັງຈາກການປິ່ນປົວດ້ວຍການຮັກສາດ້ວຍຄວາມເລິກຂອງ carburizing ຂອງ 1,2 ມມ, ປະສົມປະສານກັບຂະບວນການເຂດຮ້ອນທີ່ມີອຸນຫະພູມຕ່ໍາ, ຄວາມແຂງແຮງຂອງແຂ້ວທີ່ແຂງແຮງແມ່ນໄດ້ເພີ່ມຂື້ນຫຼາຍກ່ວາ 850mpa. ພາຍໃຕ້ສະພາບການເຮັດວຽກທີ່ສຸດຂອງການຄັດເລືອກວັດຖຸດິບທີ່ບໍ່ຄົບຖ້ວນໃນສວນລ້ຽງສັດແລະການທົດສອບດິນຫິນແລະພຽງແຕ່ມີຮອຍຂີດຂ່ວນທີ່ມີຢູ່ໃນດ້ານຂອງແຂ້ວໂດຍບໍ່ຕ້ອງປອກເປືອກ. ໃນເວລາດຽວກັນ, ໂດຍການເພີ່ມປະສິດທິພາບການຈັດວາງແຜ່ນ rib ແລະໃສ່ກະແສໄຟຟ້າທີ່ຖືກຕ້ອງໃນທັນທີ 1.5 ເທື່ອ. ຫລີກລ້ຽງການແຕກແຍກຫຼືການແຕກງອກຂອງແຂ້ວ.
ການອອກແບບທີ່ສະຫຼາດຂອງກ່ອງເກຍແມ່ນມາຈາກຄວາມເຂົ້າໃຈເລິກເຊິ່ງຂອງຈຸດເຈັບຂອງການປະຕິບັດງານແລະການຮັກສາໃນອຸດສະຫະກໍາປຸງແຕ່ງອາຫານສັດ. ໂມດູນຕິດຕາມກວດກາທີ່ມີຄວາມສະຫຼາດຂອງມັນບໍ່ແມ່ນຜູ້ເກັບຂໍ້ມູນງ່າຍໆ, ແຕ່ການວິເຄາະຂ້າມອຸນຫະພູມ, ຄວາມສັ່ນສະເທືອນ, ສັນຍານໃນປະຈຸບັນແລະອື່ນໆໂດຍຜ່ານຕົວແບບ algorithm. ຍົກຕົວຢ່າງ, ເມື່ອພົບວ່າອຸນຫະພູມທີ່ມີຄ່າໃຊ້ຈ່າຍໃນການກວດສອບຂໍ້ມູນປະຫວັດຄວາມເປັນມາໃນການກໍານົດພາລະ: ຫລັງຈາກໃຊ້ລະບົບນີ້ແລ້ວ, ບໍລິສັດອາຫານສັດໄດ້ຫລີກລ້ຽງການຖອກນ້ໍາຫນັກ 3 ຢ່າງໂດຍການປັບຄ່າການເກັບກູ້ຄືນລ່ວງຫນ້າ, ແລະປະສິດທິພາບຂອງອຸປະກອນໂດຍລວມ (OEE) ເພີ່ມຂື້ນ 18%. ນອກຈາກນັ້ນ, ການອອກແບບໂຄງສ້າງການປ່ອຍແບບລວດໄວແບບໂມດູນຂອງມັນໄດ້ຮັບການດົນໃຈຈາກພະນັກງານບໍາລຸງຮັກສາສາຍທາງຫນ້າ. ມີພຽງແຕ່ 4 ກ້ອນເທົ່ານັ້ນທີ່ຕ້ອງໄດ້ຮັບການພວນເພື່ອໃຫ້ສໍາເລັດການທົດແທນໂດຍລວມຂອງຊຸດເກຍ gear, ແລະເວລາທີ່ບໍາລຸງຮັກສາຈາກ 4 ຊົ່ວໂມງຂອງໂຄງສ້າງແບບດັ້ງເດີມເຖິງ 1.5 ຊົ່ວໂມງ.
ໃນແງ່ຂອງການປົກປ້ອງສິ່ງແວດລ້ອມແລະການເພີ່ມປະສິດທິພາບດ້ານພະລັງງານ, ການອອກແບບຂອງ Gearbox Stems ຈາກຄວາມຕ້ອງການຂອງອຸດສາຫະກໍາອາຫານເພື່ອຫຼຸດຜ່ອນຕົ້ນທຶນແລະເພີ່ມປະສິດທິພາບ. ໂຄງປະກອບການລະລາຍຄວາມຮ້ອນຂອງມັນບໍ່ໄດ້ເພີ່ມຄວາມສະດວກໃນມຸມແບບກ້ຽວວຽນແລະສະຖານທີ່ປະສິດທິພາບຂອງຄວາມຮ້ອນຂອງນ້ໍາມັນໄດ້ຮັບການເພີ່ມຂື້ນ 30% ໃນລະບົບການຫລໍ່ລື່ນ, ເຕັກໂນໂລຢີການສະຫນອງນ້ໍາມັນສອງເຂດແມ່ນມີການປັບປຸງແກ້ໄຂບັນຫາການໂຫຼດແບບເຄື່ອນໄຫວໂດຍວິທີການຫລໍ່ຫລອມ ການວັດແທກຕົວຈິງຂອງສາຍການຜະລິດອາຫານສັດທີ່ຖືກສົ່ງອອກໄປຫາເອີຣົບທີ່ມີມາດຕະຖານຂອງລະດັບມາດຕະຖານ 5dB ໃຫ້ສໍາເລັດໂດຍຜ່ານການຢັ້ງຢືນປະເທດທີ່ມີປະສິດທິພາບຂອງປະເທດທີ່ນໍາເຂົ້າ. ແນວຄວາມຄິດການອອກແບບນີ້ທີ່ມີລາຍລະອຽດທາງວິຊາການທີ່ມີມູນຄ່າການຄ້າແມ່ນກຸນແຈສໍາຄັນຕໍ່ການຮັບຮູ້ຕະຫລາດ.
ສະບາຍດີ! ຂ້າພະເຈົ້າ Amena García, ລູກຄ້າຈາກ Barcelona, Spain. ພວກເຮົາໄດ້ໃຊ້ເຄື່ອງຫຼີ້ນເກຍດາວຂອງທ່ານໃນລະບົບຕິດຕາມກະດານ Photovoltaic ຂອງພວກເຮົາເປັນເວລາຫນຶ່ງປີເຄິ່ງ. ອຸປະກອນນີ້ໄດ້ແກ້ໄຂບັນຫາຄວາມຖືກຕ້ອງຂອງພວກເຮົາຢ່າງສົມບູນ - Gearbox ທີ່ພວກເຮົາໄດ້ໃຊ້ກ່ອນທີ່ຈະຕິດຕາມປະມານ 5 ໂມງເຊົ້າທີ່ມີຄວາມຜິດພາດໃນການຕິດຕາມພາຍໃນ 0.5 ອົງສາ. ດຽວນີ້ສະເລ່ຍປະຈໍາວັນຂອງແຜງຖ່າຍຮູບປະຈໍາວັນໄດ້ເພີ່ມຂຶ້ນ 18% ເມື່ອທຽບໃສ່ກັບແຕ່ກ່ອນ, ແລະແມ່ນແຕ່ໃບບິນຄ່າໄຟຟ້າໄດ້ກາຍມາເປັນເບົາຫຼາຍ. ໃນປັດຈຸບັນວ່າ gearbox plaintary ນີ້ໄດ້ຮັບການທົດສອບຂອງການສີດເກືອແລະລົມແຮງໃນສະຖານີໄຟຟ້າ Photovoltaic ໃນ Seaside. ການເຄືອບການເຄືອບການຕໍ່ຕ້ານການກັດທາງດ້ານການເກືອດຫ້າມການເກືອດຫ້າມບໍ່ໄດ້ສະແດງອາການຂອງການຫຼຸດລົງໃດໆ, ແລະນ້ໍາມັນເກຍພາຍໃນບໍ່ຈໍາເປັນຕ້ອງຖືກປ່ຽນແທນເລື້ອຍໆ. ຂ້າພະເຈົ້າຫວັງວ່າຈະໄດ້ເຮັດວຽກກັບທ່ານໃນໂຄງການພະລັງງານທົດແທນຫຼາຍໃນອະນາຄົດ!
ຂ້ອຍແມ່ນ Hans Müller, ວິສະວະກອນກົນຈັກຈາກປະເທດເຢຍລະມັນ. ເຄິ່ງປີທີ່ຜ່ານມາ, ຂ້າພະເຈົ້າໄດ້ຊື້ກ່ອງສະຫນາມເກຣດຂອງ Raydafon ສໍາລັບການປັບປຸງການຜະລິດ. ຫລັງຈາກໃຊ້ພວກມັນ, ພວກເຂົາເກີນຄວາມຄາດຫວັງຂອງຂ້ອຍ! ອຸປະກອນດັ່ງກ່າວແລ່ນຢູ່ທີ່ສູງສໍາລັບ 16 ຊົ່ວໂມງຕໍ່ມື້ເພື່ອຂະຫຍາຍວັດຖຸດິບທີ່ມີຄວາມຫນຽວສູງ. ສິ່ງລົບກວນຂອງ Gearbox ແມ່ນຫຼຸດລົງ 20%, ປະສິດທິພາບການສົ່ງຕໍ່ແມ່ນມີຄວາມຫມັ້ນຄົງຫຼາຍກວ່າ 94%, ອຸນຫະພູມສູງຂື້ນພາຍໃນ 25 ° C, ແລະຄວາມທົນທານສູງກວ່າຕົວແບບເກົ່າ. ທີມງານຂອງທ່ານເປັນມືອາຊີບແລະມີປະສິດທິພາບຕະຫຼອດໄລຍະໃນໄລຍະການ, ຈາກຕົ້ນກໍາເນີດການເພີ່ມປະສິດທິພາບ, ໂຄງສ້າງປະທັບຕາດັດປັບການຊີ້ນໍາ deb ກ coughtance ອກ. ການອອກແບບລະອຽດ (ເຊັ່ນ: ປະທັບຕາທີ່ຂີ້ຝຸ່ນແລະຮູທີ່ຕິດຕັ້ງທີ່ໄດ້ມາດຕະຖານ) ສະທ້ອນໃຫ້ເຫັນຄວາມເຂົ້າໃຈເລິກເຊິ່ງຕໍ່ສະພາບການເຮັດວຽກຕົວຈິງ. ລະດັບຄຸນນະພາບແລະລະດັບຜະລິດຕະພັນຂອງ Raydafon ທີ່ເຮັດໃຫ້ຂ້ອຍໃສ່ໃນບັນຊີຂອງຜູ້ສະຫນອງໄລຍະຍາວໂດຍບໍ່ລັງເລໃຈ, ແລະແນະນໍາໃຫ້ເພື່ອນມິດຂອງຂ້ອຍ!
ຂ້າພະເຈົ້າໄດ້ແລ່ນເຮືອລ້ຽງເປັນເວລາຫລາຍປີແລ້ວແລະໄດ້ປ່ຽນນັກເກືອດຫ້າມຫລາຍຄົນແລ້ວ. ມັນບໍ່ແມ່ນຈົນກ່ວາຂ້າພະເຈົ້າໄດ້ໃຊ້ຕູ້ເກຍດາວເຄາະຂອງ Raydafon ທີ່ຂ້າພະເຈົ້າຮູ້ວ່າມັນມີຄວາມກັງວົນໃຈແທ້ໆ! ອຸປະກອນທີ່ຂ້ອຍໃຊ້ມາກ່ອນແມ່ນສະເຫມີໂດຍການປະສົມ silage, ແລະເກຍມັກຈະເລື່ອນລົງ. ຂ້ອຍບໍ່ໄດ້ຄາດຫວັງວ່າກ່ອງເກຍດາວຂອງເຈົ້າມີພະລັງຫລາຍ. ຜະລິດຕະພັນຂອງທ່ານແມ່ນງ່າຍດາຍກວ່າທີ່ຂ້ອຍຄິດ, ແລະມັນກໍ່ຈະຮັກສາໄດ້ງ່າຍ. ຄັ້ງສຸດທ້າຍທີ່ຂ້າພະເຈົ້າໄດ້ກວດກາຕົວເອງທຸກໆມື້, ຂ້າພະເຈົ້າໄດ້ພົບເຫັນກະຕ່າເກຍແມ່ນຜະນຶກເຂົ້າກັນດີແລະບໍ່ມີສັນຍານຂອງການຮົ່ວໄຫຼຂອງນ້ໍາມັນ. ຂ້ອຍແນ່ນອນຈະສືບຕໍ່ສະຫນັບສະຫນູນທ່ານໃນອະນາຄົດແລະແນະນໍາໃຫ້ທ່ານໄປຫາຫມູ່ທີ່ rancher ຂອງຂ້າພະເຈົ້າ! ---- Mark Johnson
ທີ່ຢູ່
ເຂດອຸດສາຫະກໍາ Luotuo, ເມືອງ Zhenhai, Ningbo City, ປະເທດຈີນ
ອີເມລ


+86-574-87168065


ເຂດອຸດສາຫະກໍາ Luotuo, ເມືອງ Zhenhai, Ningbo City, ປະເທດຈີນ
ສະຫງວນລິຂະສິດ© Baydafon GroupSholy Groups.
Links | Sitemap | RSS | XML | ນະໂຍບາຍຄວາມເປັນສ່ວນຕົວ |
